Как просматривать и транслировать?
Между аналоговой и IP-камерой существует ряд отличий. Последние транслируют более качественную картинку и оснащены дополнительными интеллектуальными функциями. Для подключения камер к телевизору требуется выполнить всего 4 шага:
- подключить устройства видеонаблюдения к NVR с помощью кабелей Ethernet Cat 5/6;
- подключить камеру безопасности NVR к телевизору с помощью кабеля HDMI;
- включить сетевой видеорегистратор с помощью адаптера питания;
- включить телевизор, после чего на экране появится изображение в реальном времени.
В итоге отпадает необходимость загружать приложение и не нужно подключаться к маршрутизатору. Все аксессуары, необходимые для подключения камер безопасности к телевизору, включены в стандартный пакет NVR.
Подключить систему NVR напрямую – это, безусловно, самый простой способ сопряжения камеры безопасности и телевизора.
Существует 5 основных причин, по которым пользователю следует выбрать систему NVR для подключения системы безопасности к телевизору:
- простое подключение;
- большое пространство для хранения и круглосуточная запись;
- работа без сети (без подключения к роутеру);
- стабильный сигнал;
- простое управление.
Чтобы подключить систему видеонаблюдения к транслирующему оборудованию, понадобится либо физическое кабельное соединение HDML, либо определенное программное обеспечение, которое транслирует видеопотоки с камеры из другого места (ПК или телефона) на телевизор.
Попробовав и протестировав всевозможные методы подключения системы безопасности к телевизору напрямую, пользователи определили самые популярные способы, которые выгоднее всего использовать. Наиболее удобный – система NVR.
Если выбирать другие методы подключения, важно учитывать марку телевизора, который используется для трансляции видео, а также модель самой камеры. Преимущества
Большое пространство для хранения – это самый большой бонус от подключения системы видеонаблюдения к телевизору. При этом не нужно беспокоиться о том, что сохраненное видео в скором времени может быть перезаписано
Преимущества. Большое пространство для хранения – это самый большой бонус от подключения системы видеонаблюдения к телевизору. При этом не нужно беспокоиться о том, что сохраненное видео в скором времени может быть перезаписано.
После подключения оборудования видеонаблюдения к телевизору с NVR можно как просматривать картинку с камер в режиме онлайн, так и осуществлять запись изображения. Например, Reolink RLK8-410B4 может вести непрерывную запись в течение нескольких недель при разрешении 4MP Super HD. Но можно выбрать меньшее разрешение – тогда запись может длиться дольше.
После подключения камер видеонаблюдения к телевизору и сетевому видеорегистратору устройство готово к прямой трансляции картинки и сохранению ее в сетевой видеомагнитофон (NVR). При этом маршрутизатор не используется.
Часто бывают ситуации, когда пользователь пытается подключить оборудование безопасности к телевизору, но получает предупреждение о том, что нет сигнала. В основном это происходит при подключении систем безопасности к телевизору с помощью стороннего программного обеспечения. При подключении оборудования видеонаблюдения к телевизору с NVR такой вариант исключается. Как только пользователь подключит все устройства с помощью правильного и простого проводного соединения, на экране появится онлайн-картинка с хорошим качеством сигнала.
Проще управлять камерами безопасности в рамках всей системы. Например, после подключения к телевизору (ПК или другому монитору) можно легко обновить все IP-камеры одновременно с помощью операционной системы NVR.
Основные нюансы подключения
Подключение видеоглазка, так же как и его установка, не составляют большого труда. Самое главное найти подходящее место для его размещения. В этих конструкциях видеокамера в точности повторяет размеры обычного дверного глазка, поэтому самый простой вариант это убрать оптический глазок и вместо него установить видеосистему.
Но здесь есть некоторые нюансы. Прежде всего, потенциальные злоумышленники могут просто заклеить или замазать отверстие объектива видеокамеры любым подручным средством. Также хулиганы могут разбить объектив и вывести камеру наблюдения из строя.
Поэтому видеоглазок следует устанавливать таким образом, чтобы его не было заметно, но чтобы он показывал полную картинку перед дверью. Старый глазок можно оставить на месте, а для миниатюрной видеокамеры нужно просверлить отдельное отверстие. Объектив видеокамеры можно скрыть в декоративном номере квартиры. Видеоглазки, устанавливаемые на входных дверях загородных домов, замаскировать намного проще. После выбора места и установки камеры нужно разобраться, как подключить видеоглазок.
Дверная видеосистема может иметь несколько конструктивных решений:
- Моноблок, где камера и компактный дисплей монтируются на дверном полотне;
- Камера и блок отображения соединены кабелем;
- В видеокамеру встроен передатчик, и изображение передаётся по радиоканалу.
В первом случае работу может выполнить сам хозяин квартиры. Достаточно просверлить в дверном полотне сквозное отверстие под камеру наблюдения и, действуя по инструкции, установить на двери камеру и дисплей и соединить их разъёмом.
Второй вариант предполагает установку монитора в любом месте жилого помещения, а соединение камеры и блока осуществляется с помощью специального кабеля. Этот кабель содержит два провода для подачи на камеру напряжения питания и экранированный проводник для передачи видеосигнала.
Подключение нескольких камер
Помимо аналоговых камер видеонаблюдения, можно подключить объекты видеонаблюдения высокой четкости (AHD CCTV) к входу HDMI телевизионного монитора.
Если необходимо просматривать несколько камер на телевизоре одновременно, следует использовать четырехъядерный процессор CCTV (до 4 камер) или мультиплексор CCTV (до 16 штук) для объединения видеосигналов.
Аналоговые камеры безопасности (CCTV) подключены к видеовходам четырехканального мультиплексора с помощью коаксиального кабеля RG59.
Мультиплексор имеет один видеовыход BNC. Можно использовать провод RG59 для запуска видео с мультиплексора на телевизор.
На телевизионном конце кабеля разъем BNC можно преобразовать в штырьковый RCA. После этого процессор мультиплексора будет настроен для отображения видео из всех 4 камер на экране. Его также можно настроить для использования с другой целью:
- прокрутки одиночного изображения с задержкой;
- картинки в картинке;
- двойной картинки.
Многих пользователей интересует вопрос относительно того, возможно ли подключить одну камеру безопасности к двум телевизорам или мониторам. Ответ в этом случае положительный. Чтобы подключить одну аналоговую камеру видеонаблюдения к двум телевизорам, нужно разделить видеосигнал с помощью разветвителя CCTV.
Материалы и составные элементы, которые потребуются для подсоединения камеры
Для получения качественного изображения, необходимо провести работы по подключению камер аналогового оборудования. Чтобы это сделать, нам нужны
- контактные кабели;
- система автономного питания.
Чтобы подключить аналоговую камеру, нужно использовать коаксиальный контактный кабель. Его чаще всего используют для подключения к камерам, регистратору видеонаблюдения, монитору. Не следует использовать китайские аналоги плохого качества, если не хотите чтобы в процессе работы видеонаблюдения были сбои. Выбирайте кабель сразу достойного качества, который отвечает всем требованиям бесперебойной работы всей системы.

Обеспечить питанием видеокамер и регистратора возможно соединительным проводом. Здесь нет особых требований, можете использовать любой или тот который рекомендует сам производитель. Следует учитывать, что все устройства будут подключены к одному источнику питания. Есть специальные провода, в которые уже встроен кабель, отвечающий за подключение питания. Процесс подключения к устройствам видеонаблюдения проводится вместе с выводными проводами и специальными разъемами. Чтобы все устройства полноценно работали, требуется установка программного обеспечения или дополнительный софт для видеонаблюдения. Чтобы выбрать подходящий софт, нужно исходить от типа камеры, который вы планируете использовать или уже используете для подключения к системе.
Получение синхросигнала 15кГц аппаратными средствами
Обратимся теперь к изучению различных схем переходников VGA SCART, начиная от самых простых до самых сложных. Начнем, пожалуй, с распиновки выводов VGA и SCART разъемов:

Базовая схема с композитной синхронизацией (только для видеокарт ATI RADEON)
- Плюсы: Легко реализовать, не требует никаких специальных компонентов.
- Минусы: Требуется внешний источник питания 5 В и 12В, работает только с определенными ATI Radeon видеокартами.

В основном используются три линии RGB (VGA контакты 1, 2, 3) подключаемые к соответствующим контактам SCART (контакты 15, 11, 7). Так же необходимо соединить и общие провода каждого канала (конечно достаточно одного общего провода, но для качественного экранирования лучше использовать их все). Для этого выводы с VGA (6,7,8) необходимо соединить с 13, 9, 5 SCART.
ВНИМАНИЕ: Для того, чтобы эта схема переходника VGA SCART работала, очень важно, чтобы видеокарта поддерживала режим синхронизирующего сигнала на выводе 13, который обычно отсутствует у большинства видеокарт и только некоторые видеокарты, принадлежащие к семейству ATI RADEON могут поддерживать данный режим работы
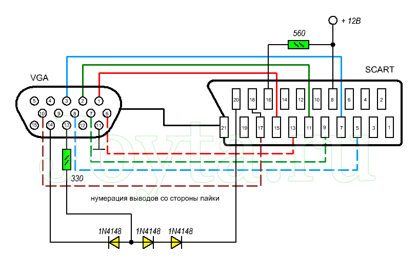
Получение сигнала синхронизации с помощью диодов и резисторов
- Плюсы: Работает с любыми видеокартами, наличие функции включение по внешнему сигналу.
- Минусы: Требуется внешнее питание 12В.

Рассмотрим первую схему переходника. В данном случае соединения линий R, G, B и массы такое же, как и у предыдущей схемы. Схема позволяет использовать обычную видеокарту (не генерирующую композитный видеосигнал). Сигналы синхронизации от контактов 13 и 14 VGA смешивают в цепи диодов 1N4148 и резистора 330 Ом, а затем передаются на обычный 20-контактный Scart.
На контакт 8 подано +12В для того, чтобы переключить телевизор в AV режим. На выводе 16 через сопротивление 560 находится напряжение около 3В, это необходимо для того, чтобы активировать RGB режим.
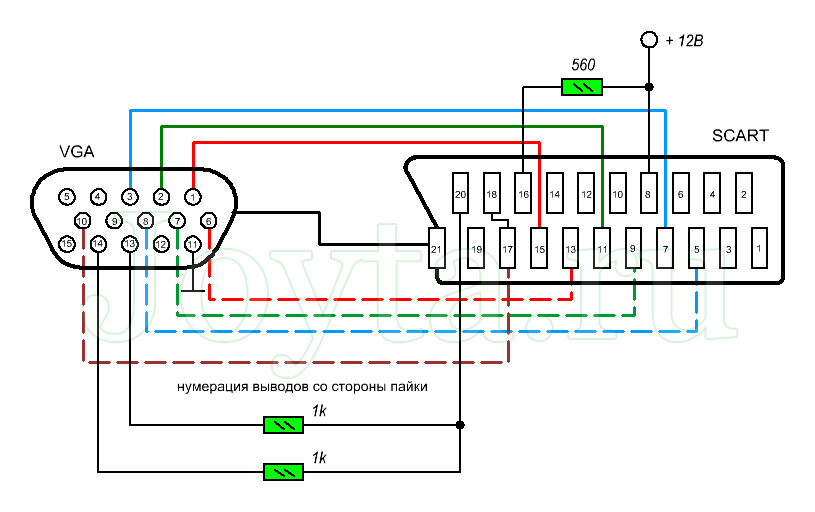
Переходник VGA SCART на 2-х резисторах
- Плюсы: Работает с любыми видеокартами
- Минусы: Необходим внешний источник питания

Использование двух резисторов по 1К понижает выходное напряжение с 5В до 1В, так как требует стандарт SCART.
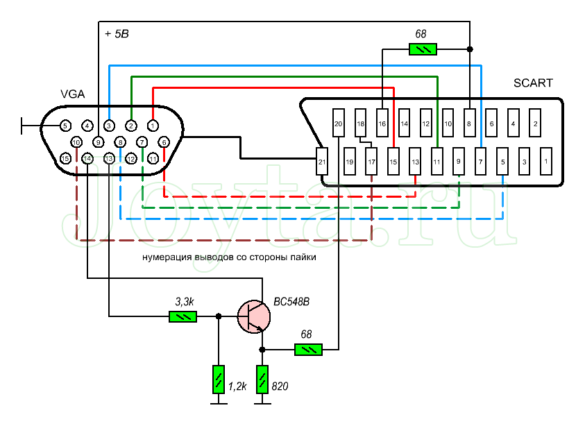
Переходник VGA SCART на транзисторе
- Плюсы: Работает с любыми видеокартами, не требует внешнего питания.
- Минусы: Не все видеокарты на выводе 9 обеспечивают + 5 вольт.

Использование биполярного транзистора для смешивания двух синхронизирующих сигналов обеспечивает хорошее качество изображения.
Вместо использования внешнего источника питания, напряжение 5В взято с вывода 9 VGA. Правда не все видеокарты способны обеспечить это напряжение, особенно карты старшего поколения. В любом случае все последние модели, совместимые с VESA 2.0 должны подойти. В данной схеме к выводу 8 подведено не 12В (для включения режима AV), а 5В. При поддержки телевизором режима переключения соотношения сторон при 5В будет активировано соотношение 16: 9 вместо 4: 3.
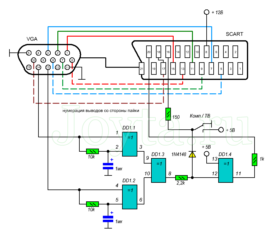
Переходник на микросхеме 74HC86
- Плюсы: Отличное качество и совместимость (работает с любыми видеокартами)
- Минусы: Безусловно одна из наиболее сложных схем.

Схема переходника VGA SCART построена на интегральной микросхеме 74HC86 (четыре логических элемента «Исключающее ИЛИ»). Также требуется наличие внешнего источника питания 5В. Сигналы смешиваются при помощи элементов исключающее ИЛИ, на выходе которого получается композитный сигнал отличного качества. Переходник работает с любым телевизором, обеспечивает отрицательный сигнал на частоте 15кГц.
Инвертор 12 В/ 220 В
Инвертор с чистой синусоидой, может обеспечивать питание переменно…
Подробнее
Пример традиционной аналоговой камеры видеонаблюдения
Не имеет значения модель камеры – купольная, пулевая или бокс (как показано на рисунке)
Важно определить, использует ли камера традиционные Технология CVBS Эту информацию можно найти на самой камере, в каталоге или в руководстве к изделию. См
изображение ниже:
Камера видеонаблюдения также может иметь 480, 540, 600, 700 Телевизионные линии.
Ниже приведен пример информации из каталога камер
С другой стороны, камеры с интерфейсом Ethernet (так называемые IP-камеры) не требуют установки драйвера. Эти модели могут быть подключены непосредственно к маршрутизатору или сетевому видеорегистратору с помощью кабеля витой пары. Они имеют свой собственный IP-адрес и распознаются телевизором как отдельное устройство. Запись с IP-камер настраивается на SD-карту или сервер.
Камера заднего вида (автомобильная)
Неудивительно, что сейчас даже в машине есть те же и тв-экраны и «видящие» устройства, которые регистрируют вокруг происходящее. И, разумеется, полезное действие обоих в сочетании друг с другом неоспоримо, но как подключить камеру заднего вида, если нет определенного опыта? Делается это совершенно легко, по аналогии с предыдущими монтажами:
красный соединяется с сигнальным проводом фонаря заднего хода, а черный/белый заземляется там же; желтая подводка совмещается с видеовыходом камеры и видеовходом моноблока, если нет специально предназначенного разъема для последнего, то обозначенный надписью V >Важно помнить! Что короткие замыкания в электросетях не редкость, поэтому нелишним будет врезать в желтый провод предохранитель на 0,5 А и после завершения подключения обязательно изолировать все места соединений. На данный момент выпускаются видеокамеры заднего вида с передачей видеосигнала посредством беспроводной сети. В таких условиях подключение выполняется еще проще
Необходимо только вставить передатчик и приемник сигнала в соответствующие разъемы выхода камеры и входа монитора. А затем для проверки функционирования включить задний ход на автомобиле и если не обнаружится проблем, то на экране появится картинка
В таких условиях подключение выполняется еще проще. Необходимо только вставить передатчик и приемник сигнала в соответствующие разъемы выхода камеры и входа монитора. А затем для проверки функционирования включить задний ход на автомобиле и если не обнаружится проблем, то на экране появится картинка
На данный момент выпускаются видеокамеры заднего вида с передачей видеосигнала посредством беспроводной сети. В таких условиях подключение выполняется еще проще. Необходимо только вставить передатчик и приемник сигнала в соответствующие разъемы выхода камеры и входа монитора. А затем для проверки функционирования включить задний ход на автомобиле и если не обнаружится проблем, то на экране появится картинка.
Многие люди до сих пор пользуются обычными телефонами (без операционной системы) и с предубеждением относятся к смартфонам. Они предпочитают использовать мобильный по своему прямому предназначению — в качестве простого средства связи, «говорилки».
При этом даже простые модели современных сотовых, как правило, имеют встроенную фото-видео камеру, поэтому может возникнуть желание просмотра медиафайлов на экране ТВ. В данном материале мы разберемся как подключить телефон к телевизору.
Table of Contents
Камера видеонаблюдения к телевизору

Существуют различные причины, вызывающие необходимость подключения камер видеонаблюдения к телевизору, в первую очередь связанные с удобствами пользования видеосистемой. При использовании камер в домашних условиях компьютер должен быть постоянно включен, тогда как телевизор полностью снимает эту проблему. После определенных настроек можно легко получить изображение в нужный момент путем простого нажатия нескольких кнопок. Кроме того, подключение видеокамер к телевизору позволяет сэкономить на приобретении отдельного монитора, совместимого с видеорегистратором.
Оснащение телевизора вебкамерой
Далеко не у всех возникает необходимость оснащать свой телевизор вебкамерой или как говорят, в народе, вебкой. Однако, если ваш телевизор из последних моделей и обладает технологией Smart TV, появляется уникальная возможность использования его для бесплатного общения со своими знакомыми, в том числе иногородними, посредством Скайпа.
Для организации видеоконференций и визуального общения необходимо подключение к телевизору web-камеры. Она несколько отличается от тех, которые используются с компьютерами.
Если у телевизионного аппарата нет функций приема других сигналов, кроме аналогового, то отсутствует возможность подключения к нему обычной веб-камеры, снабженной интерфейсом USB. Это можно сделать только после добавления специального системного блока, используемого как переходник.
В последние годы электроника всё больше входит в домашний обиход практически каждой семьи. Если полвека назад это были телевизоры и магнитофоны, затем появились музыкальные центры, а относительно недавно компьютеры.
Но прогресс не стоит на месте, ко всему этому электронному многообразию постепенно добавились ноутбуки, смартфоны и планшеты, а вместе с ними и видеокамеры, как встроенные, так и наружные. Если до этого видеооборудование для наблюдения использовалось исключительно в промышленных масштабах, то сегодня оно перекочевало не только в каждый офис, но и личные владения граждан.
Услуги по монтажу систем видеонаблюдения довольно дорогое удовольствие, но обладая определёнными познаниями в этой сфере, каждый человек может выполнить эту работу самостоятельно. Эта статья посвящена как раз особенностям этой работы.
Выбор камеры или системы видеонаблюдения
В продаже встречается несколько видов систем видеонаблюдения, каждая обладает особенностями:
Аналоговые
Самые дешевые модели, допускающие подключение к любому современному телевизору, монитору. Аналоговый сигнал не отличается высокой детализацией, поэтому вряд ли удастся рассмотреть мелкие детали, которые важны в некоторых ситуациях.
IP-камеры
Сетевое оборудование с цифровой записью сигнала. Существуют модели IP-камер не только с проводным подключением, но и передающие сигнал через Wi-fi, что подходит для организации уличного видеонаблюдения. TVI, HDCVI, AHD
Продвинутые модели, заменяющие аналоговые камеры, предлагающие детализированную картинку, которые также можно подключать и через аналоговые входы.

IP-камера.
Порядок подключения камеры видеонаблюдения к телевизору
Довольно часто на СМАРТ-телевизоры устанавливают веб-камеры. Это очень удобно, когда вы используете Skype или записываете потоковое видео своих игр для Twitch-канала. Бесплатное визуальное общение или создание видеоконференций с использованием веб-камеры на телевизоре – для многих людей это обычные будни.
Выполнить подключение напрямую получится только с такой моделью камеры, которая работает с аналоговым сигналом. Такие приборы можно купить через интернет или в магазине бытовой техники.
Если же вы всё-таки хотите организовать подключение своей «вебки» к телевизору, то можно задействовать системный блок ПК в качестве переходника. Для этого проведите такие действия:
- Соедините с помощью кабелей или переходников телевизор с системным блоком компьютера. Разъёмы у всех моделей разные, поэтому посмотрите, какие порты есть на задней панели вашего ТВ, и определите оптимальный вариант своего подключения;
- Телевизор будет служить вам монитором, поэтому подстройте его разрешение, чтобы вам было удобно его использовать;
- Подключите WEB-камеру к блоку ПК;
- Запустите установку драйвера с диска (он идёт в комплекте с устройством) или через «Панель управления» – «Диспетчер устройств»;
- Вот и вся настройка, теперь останется только удобно разместить веб-камеру на телевизоре, настроить угол обзора, чтобы в её объектив попадала нужная картинка.
А вот камеры, которые имеют интерфейс Ethernet (их называют IP-камерами), не потребуют установки драйвера. Такие модели можно напрямую подключить к роутеру или цифровому видеорегистратору NVR посредством витой пары. Они имеют собственный IP-адрес и в телевизоре будут распознаны, как самостоятельный девайс. Запись с IP-камер настраивается на SD-карту или сервер.
Большая часть современных моделей телевизоров поддерживают работу с цифровым форматом данных. Особенно те, которые имеют встроенный доступ в интернет. Есть модели телевизоров со встроенной камерой (например, Sony KDL-55W808 или Samsung UE46F8000), а можно купить отдельное веб-устройство, которые, как правило, производят те же производители телевизоров. Такие камеры более чувствительны и адаптированы под большую дальность до объекта: они лучше способны улавливать звук абонента, и умеют правильно подстраивать чёткость картинки.
Перед тем как настроить взаимодействие камеры со своим телевизором, убедитесь, что:
- У камеры имеется разъём VA/In/Out;
- В комплекте есть кабель для подключения.
Отличным вариантом универсальной ТВ-камеры является, например, модель Logitech TV Cam HD. Её достаточно просто подключить к телевизору через HDMI-кабель и никаких дополнительных манипуляций проводить не потребуется. У неё имеется автономный БП, поэтому видеозвонки можно принимать даже при выключенном ТВ.
Жители многоквартирных домов довольно часто используют подключение, в котором одна камера, установленная, например, в парадном, передаёт изображение на все квартиры в доме. В таком случае используется один регистратор и множество специальных мониторов с разъёмами HDMI или VGA в каждой квартире.
В целях экономии можно не покупать дополнительное устройство, а вывести изображение на свой телевизор с помощью модулятора телевизионного сигнала. Схема по такому подключению будет выглядеть так:
- В телевизионном кабеле нужно сделать разрыв, его можно делать либо на лестничной площадке, либо непосредственно в своей квартире;
- В него устанавливается специальный модулятор ТВ сигнала, который добавляет к потоку телесигнала ещё один дополнительный информационный канал со свободной частотой вещания;
- Модулятор имеет 2 антенных разъёма (один – на вход, второй – на выход) и 3 коннектора типа «тюльпан» (один для передачи видео и два аудиоканала). Сигнал от камеры проводим в модулятор посредством стандартного коннектора;
- После этого задаём частоту вещания (на корпусе устройства указываем номер канала);
- С помощью делителя сигнала картинку с камеры можно вывести на 4 отдельных телевизора.
Если камера не имеет возможности переключения в старый аналоговый телевизор, то создать прямое подключение не получится. Для этого случая вам потребуется приобрести специальный преобразователь BNC/VGA. Только конвертёр сможет изменить формат передаваемого сигнала.
Подключение камеры видеонаблюдения к телевизору проводится посредством всё того же коаксиального кабеля, который просто достаточно обжать с двух сторон BNC-коннекторами. Одна сторона кабеля подключается к выходу на камере, а другой конец устанавливается в гнездо «Входа» на преобразователе, а уже последний подключается к ТВ-приёмнику с помощью кабеля VGA.
Как подключить компьютер к телевизору через тюльпаны (RCA)
Если ваш телевизор уже достаточно преклонного возраста и в нем нет самых современных интерфейсных разъемов, то эта статья поможет вам правильно подключить ваш компьютер к телевизору через тюльпаны.
Напомним, что тюльпан (он же «колокольчик» или «композит») — это один из первых аналоговых разъемов с интерфейсом RCA. По внешнему виду тюльпаны представляют из себя многожильный кабель с тремя выводами разного цвета: красного, желтого и белого.
Желтый разъём отвечает за передачу изображения, а красный и белый за передачу аудиосигнала. Правый канал маркирован красным цветом, а левый канал – белым, через который можно также подключать источник монофонического аудиосигнала.

Входные разъемы имеют точно такие же цвета, так что перепутать у вас не выйдет.
Кабель с разъемами тюльпан способен передавать довольно качественный стереозвук уровня Hi-Fi, чего не скажешь о видеосигнале – передать видеопоток с разрешением Full HD (1920х1080) и приемлемым уровнем качества изображения, этому интерфейсу не под силу. Но у него есть и свои плюсы: простота подключения, широкая распространенность и очень доступная цена.
Также следует помнить, что напрямую подключить компьютер к телевизору через колокольчики не получится – современные видеокарты не оборудованы соответствующими выходами (RCA), поэтому вам придется использовать переходники.
Порядок подключения
ВАЖНО: перед подключением убедитесь, что компьютер и телевизор отключены от сети. Для вывода звука с компьютера на телевизор вам надо использовать переходник mini-jack => 2xRSA, как на рисунке ниже
Для вывода звука с компьютера на телевизор вам надо использовать переходник mini-jack => 2xRSA, как на рисунке ниже.

Изображение выводится отдельно, с одного из выходов видеокарты через переходник DVI => RCA или D-Sub (VGA) => RCA.

После подключения разъема к видеовыходу вашей видеокарты, она должна корректно распознать тип подключения. Иногда видеокарты nVidia сами не распознают подключенный RSA-кабель (тюльпан) и им нужно подсказывать. Если у вас сложилась именно такая ситуация, то нужно в панели управления nVidia (настройках видеокарты) вручную задать способ вывода видеосигнала.
После того, как вы подключили все разъемы, необходимо сначала включить телевизор, а потом компьютер. Если все соединено правильно, при старте загрузки ОС вы увидите мигание экрана телевизора — это говорит о том, что телевизор распознал подключенный кабель и получает входной видеосигнал. После загрузки ОС на экране телевизора должен отобразиться рабочий стол, так же как на мониторе. Если этого не произошло, кликайте правой кнопкой мышки по рабочему столу, нажимайте пункт «Разрешение экрана» (для Windows 7,
и выбирайте, как вы хотите выводить изображение – как расширение рабочего стола или в режиме клонирования.

Далее, при необходимости, настраиваете соотношение сторон и выводимое разрешение на экран, которое не должно превышать максимально указанное в инструкции по эксплуатации вашего телевизора.
Если изображение на экране телевизора так и не появилось, пора взять в руки пульт ДУ и приступить к настройке. Зайдите в меню телевизора и выберите пункт Input (Source), в котором вам нужно найти источник входного сигнала A/V (Audio/Video). В разных моделях телевизоров названия пунктов входного сигнала могут отличаться, поэтому вы ищите названия типа ПК (PC), Видео (Video In), Ext. Нажимайте кнопку выбора и проверяйте, появилось ли изображение. Как только вы выберете правильный пункт, на экране телевизора увидите рабочий стол ОС. На этом настройку можно считать законченной.
Надеемся, что наши рекомендации помогут вам выполнить подключение компьютера к телевизору через тюльпаны гладко и без затруднений.
Подключение компьютера к телевизору через тюльпан.
Всем привет. В этой статье покажу один из способов подключения компьютера, видеорегистратора, или любой другой техники, выходной сигнал которой подается на разъем VGA, к любому телевизору через разъем типа тюльпан (RCA).
Для реализации данной затеи, я использовал конвертер типа VGA на тюльпан (RCA), купленный на алиекспресс.
В моем случае, конвертер используется для подключения IP видеорегистратора одновременно к монитору и телевизору, который находится в отдельной комнате, на большом расстоянии друг от друга.

В таком коробке получил конвертер на почте
В комплектацию входит сам конвертер, инструкция, и DC кабель для подключения питания через USB.

Упаковка содержимого

конвертер, инструкция и DC кабель
Для управления изображением, на переходнике имеются шесть кнопок, но о них расскажу немного позже.
Кнопки упраления конвертором
Из интерфейсов на конвертере имеются два разъёма VGA ,по одному разъему типа тюльпан (RCA) и S-Video. Так же разъем для подключения питания.

Разьемы

разъем VGA in

Подписи интерфейсных разъемов находятся на нижней крышке конвертера
Работает все это дело таким образом. Для начала, необходимо подключить входящий сигнал из компьютера или другого устройства в разъем VGA IN. Далее, при необходимости подключаем монитор в разъем VGA OUT, и шнур от телевизора в разъем тюльпан (RCA) или S-video. После этого, подаем питание на переходник. Я его запитал от порта компьютера, но на практике подключал и в зарядное устройство от мобильника, все работает исправно.

Подключенный конвертер

Далее, на мониторе и телевизоре появляется изображение.

Изображение с маленького портативного телевизора
Изображение на телевизоре и мониторе одновременно
Очень удивило качество картинки на телевизоре. В примере, я показываю изображение на маленьком портативном телевизоре, но на больших диагоналях изображение очень хорошего качества.
Теперь немного о меню и кнопках. Нажимая кнопку Zoom, изображение пропорционально увеличивается, при этом на качество это очень мало влияет. Нажав кнопку меню, можем дополнительно увеличить или уменьшить изображение по горизонтали и вертикали, настроить яркость, контрастность , оттенки изображения, тип выходного сигнала.
меню конвертера
О силе выходного сигнала могу сказать следующее. От переходника до телевизора был проведен коаксиальный кабель длинной 12,5 метров с F-RCA разъемами.

F-RCA разъем
На таком расстоянии, изображение получилось отличным, так что конвертором остался очень доволен.
Покупал здесь.
Как сэкономить на покупках с Китая описано здесь.
Всем спасибо за внимание
(5 оценок, среднее: 4,80 из 5) Загрузка…
Необходимые материалы и инструменты для подключения
Решая самостоятельно установить соединение, важно учесть, что при подключении видеонаблюдения к телевизору непременно появятся непредвиденные финансовые затраты. К необходимому набору расходных инструментов относят блок питания, олово, определённый разъём, канцелярский нож и паяльник
Если нет опыта в спайке, для замены пригодятся клеммные переходники.
Могут использоваться кабели нескольких типов:
- HDMI (Mini-HDMI);
- коаксиальный;
- «Тюльпан»;
- SCART.
Прежде всего, нужно побеспокоится о БП. Камеры имеют разные потребности в питании
Важно внимательно смотреть на маркировку блока
Выходное стабилизированное напряжение должно быть между 9 и 15 вольтами, а максимальный показатель силы тока составлять не менее 0,1 А.
Если подключать несколько элементов к блоку питания, то показатель силы тока должен суммироваться, а напряжение оставаться таким же.
Кроме того, нужно быть внимательным к технике и учитывать:
- комплектующие компоненты и наличие блока питания;
- тип камеры/телевизора;
- способ передачи сигнала;
- встроенные интерфейсы на камере.
Среди обычных пользователей наиболее популярной считается модель AV-RCA. Качество изображения напрямую зависит от соединительных проводов.
Подключение аналоговой камеры к монитору
Аналоговая камера
Чтобы правильно и эффективно присоединить монитор к видеокамере необходимы:
- соединительные кабели;
- блок питания.
Стоит понимать, что от того, насколько качественный кабель будет использован, во многом зависит качество изображения и долговечность системы. Не стоит экономить. Лучше один раз потратиться на дорогой кабель, чем периодически чинить всю систему. Для подключения аналоговых камер используется обычно коаксиальный кабель.
Существует 3 способа соединить монитор и видеокамеры:
- с помощью видеорегистратора;
- через настройки ПК (плата видеозахвата);
- прямым подключением.
Первый способ оправдан при организации наблюдения, в котором задействовано большое количество видеокамер. Для систем, состоящих из 1 или пары камер он не оправдан из-за высокой стоимости видеорегистратора.
Схема подключения монитора к регистратору
Чтобы подключить камеры с помощью персонального компьютера, понадобится специальная карта видеозахвата либо USB-преобразователь, что также предполагает дополнительные траты.
Плата видеозахвата
Оптимальным вариантом для наблюдения за домом или квартирой будет прямое подключение камеры к монитору. Такой способ позволит наблюдать на мониторе происходящее в зоне наблюдения камеры в настоящий момент. Просмотр изображения в режиме онлайн в интернете будет недоступен.
Использовать можно экран обычного персонального компьютера, то есть камеру можно будет подключить к обычному компьютерному монитору напрямую. Дополнительно понадобится приобрести только преобразователь BNC-VGA. Он преобразует аналоговый сигнал камеры в цифровой, что позволяет получать картинку на экране в режиме реального времени
При его покупке важно обращать внимание на разрешение, которое редко составляет более 740×567 пикселей. Это значит, что вне зависимости от разрешения экрана, часть качества будет «съедена» устройством. Более качественные преобразователи обойдутся дороже
Более качественные преобразователи обойдутся дороже
Более качественные преобразователи обойдутся дороже
Более качественные преобразователи обойдутся дороже
Более качественные преобразователи обойдутся дороже.
BNC-VGA Преобразователь сигнала
Для подключения к экрану, он должен иметь разъем для подключения композитного сигнала. В нём центральный контакт подает непосредственно видеосигнал, а внешний – экран.
Подключая аналоговые камеры видеонаблюдения, стоит помнить, что обычно они обладают проволочными выводами или BNC-коннектором. Это значит, что для подключения понадобится сделать подходящий переходник. Затем с одной стороны соединительного кабеля устанавливается BNC, с другой – тюльпан (RCA) и производится их соединение. Уровень напряжения – 75 Ом.
Смотрим видео как подключить видеокамеру к монитору.
Рекомендуется также посмотреть паспорт устройства, особенно если камера имеет 4 вывода. Чаще всего это означает, что из нее будет выходить два двойных провода. Обычно желтый – сигнал, красный – плюс питания. Оставшихся два провода можно соединить между собой. Однако лучше всего внимательно прочесть паспорт устройства, чтобы не сломать устройство.
Для просмотра изображения необходимо:
- на пульте дистанционного управления нажать «source»;
- на экране тв выбрать режим «композит» или «av».
Если вы подключаете ip-камеру к монитору, достаточно лишь персонального компьютера, от ip-камеры идет кабель (витая пара) в сетевую карту компьютера (rj45). Устанавливаете софт от ip-камеры производителя – вот и все. Не надо дополнительно подключать монитор, так как он уже подключен к ПК.
Другие статьи:
-
- Тепловизионные камеры видеонаблюдения
- Видеонаблюдение в офисе
- Лучшая ip камера для дома: особенность выбора
- Микрофон для ip камеры видеонаблюдения






























