Схемы АВР с секционным переключателем
Основным признаком этих схем является то, что в них нагрузка разделена на две и больше питающих электролиний, работающих независимо. Если один из выходов ломается, то нагрузка, которая приходилась на него, передается на исправный элемент. Эта схема оптимально подходит для выполнения ремонтных или профилактических работ на электрооборудовании. Поскольку оба входа функционируют, пропадает необходимость мониторинга системы за тем, когда резервная ее составляющая будет готова к принятию напряжения.
В результате установки переключателя схема с секционником будет более сложной. Независимо от этого, электросхема с двумя секциями сегодня считается одной из распространенных в системах повышенного или низкого напряжения. В качестве автоматов используются элементы SA1 и SA2, они предназначены для защиты своих электролиний. Роль контакторов исполняют компоненты К1-К3, вместо них могут применяться переключатели с возможностью удаленного управления. Для качественной работы контакторы К1-К3 функционируют по конкретному алгоритму.

Двухсекционная схема АВР
Несмотря на простоту системы с секционным выключателем универсального варианта схемы управления нет, она разрабатывается под конкретное электрооборудование. На фото приведена простейшая двухсекционная схема, обладающая минимальным числом компонентов и характеризующаяся простой логикой. Основные элементы — контакторы. При наличии нагрузки в режиме работы на двух входах питание каждой отдельной секции производится от конкретного входа.
Если напряжение в сети пропадает, то на одном из вводных элементов выполняется отключение контактора — первого либо второго. Отключение секции производится от конкретного ввода, а ее подключение выполняется к работающему входу. Когда на линии восстанавливается напряжение, происходит активация контактора, в результате чего схема начинает работать в изначальном состоянии.
Используя эту схему на практике, следует помнить, что нельзя допускать замыкание электроцепи уже замкнутым контактным элементом, а размыкание — разомкнутым устройством. При реализации схемы пользователь должен правильно подойти к покупке контакторов. Специалисты рекомендуют зафазировать входы на схеме, чтобы в случае приваривания контактных элементов последствия были менее серьезными.
Загрузка …
Что такое АВР и его назначение.
Помимо этого, контроллер АВР проверяет отсутствие короткого замыкания, в противном случае подача энергии на эту секцию недопустима. БУАВР имеет повышенную устойчивость к перенапряжению.

Как видите, создать своими руками схему автозапуска генератора не так уж и сложно. Каким образом это делается на автоматах — смотрите на рисунке справа.

Подключение реле серии ЕЛ очень простое и не представляет особых затруднений: к клеммам L1, L2, L3 подключаются фазы А, В, С соответственно, а через контакты и напряжение подается в цепь управления катушек контакторов, где в зависимости от состояния электрической сети реле управляет работой контакторов замыканием или размыканием этих контактов.

В квартиры устанавливают бесперебойники на аккумуляторах, которые преимущественно применяются для электронной техники. Автоматический ввод резервного питания, это полноценный механизм со своей логикой и своими органами чувств и управления. Если у реле есть несколько контактных групп, то можно их запараллелить, но такое редко делается, обычно для больших токов берется схема с реверсивным пускателем либо на симисторах. АВР на реверсивном рубильнике с электроприводом Такая конструкция интересна прежде всего тем, что потребляет электроэнергию только в момент переключения, в отличие от контакторов, реле и т. Данные устройства предназначены для работы на стороне 0.

С технической точки зрения реле контроля трехфазного напряжения состоит из измерительной и силовой части. При исчезновении напряжения на первом вводе, отпадает контактор-1 и включается контактор В этой части мы разберем схему для трехфазной электрической сети, выполненную на двух контакторах, где в качестве управляющего элемента применено реле контроля фаз реле контроля трехфазного напряжения.
Но ведь источников питания может быть и больше. Потребитель остается со светом.
Она состоит из двух однополюсных автоматических выключателей, одного контактора и одного двухполюсного автоматического выключателя. В таком случае включить или отключить автомат можно с помощью специальных кнопок. Так, при отсутствии напряжения система переключит потребителя с основного на резервный ввод, однако при появлении напряжения на линии обратное переключение возможно только вручную — отключением питания автоматическим выключателем АВ2 или остановкой генератора. Схема подключения АВР (380 Вольт)
Схемы АВР на 3 ввода
На такой электросхеме подача нагрузки выполняется от двух источников питания основной сети, они маркируются — Ввод 1 и 2. Также система питается от автономного устройства, оно маркируется как Ввод 3. Если напряжение есть на двух вводах, то питание производится посредством рубильников с приводом. QS — рубильник, который выключает часть напряжения. Если параметр напряжения на обоих вводах нормальный, устройства АВР передают команду на активацию элементов 4QS-7QS.
С первого входа питание подается через рубильник 1QS, а также выключательное устройство 1QF. Затем нагрузка передается через контактные элементы рубильников 4QS и 6QS. Нагрузка со второго ввода подается аналогично, только посредством рубильника 2QS и выключательного устройства 2QF. Затем она поступает по контактным элементам приборов 5QS и 7QS. Второй выход питается напряжением, подающимся с первого входа. Первое устройство АВР передает команду на переключатель 5QS, в результате чего устройство активируется.
Питание проходит по такой цепи:
- первый вход;
- рубильник 1QS;
- устройство 1QF;
- реверсивный элемент 5QS;
- выход 1.
Если на первом и втором входе отсутствует напряжение, то команда на пуск генераторного устройства будет подаваться через определенный временной интервал. Когда на третьем входе появляется нормальное напряжение, то спустя время происходит активация второго АВР. В результате этого все нагрузки на потребители энергии будут отправляться от третьего входа. Срабатывают рубильники 6QS и 7QS. Третий вход будет питать электрическую сеть до момента, пока на первый и второй вход не поступит нормальная нагрузка.

Схема на три ввода
Основное достоинство схемы подключения генератора на трех вводах заключается в использовании блокировки между входами.
Устройство и принцип работы
Магнитные пускатели и контакторы можно подключать самим, достаточно понять принцип работы устройств и настройку схем. Состоит пускатель магнитный из магнитопровода и катушки-индуктора. Магнитный провод имеет две части подвижную и не подвижную, первая закрепляется на пружине и осуществляет свободное движение, а вторая установлена на теле устройства и неподвижна.
В отверстии второй части установлена катушка, ее расположение влияет на номинальные контакторы пускателя с катушкой, подразделяются на 12 V и 24 V, 110 V и 220 V и 380 V. А вторая часть служит для подвижных и неподвижных контактов. Если питание не поступает, первая часть отжимается пружинами, а состояние контактов не меняется и остается в первоначальном виде.
Как только напряжение появляется, при нажатии пусковой кнопки или другом поступлении электроэнергии, катушкой регулируется генерация электромагнитного поля, при котором притягивается первая часть устройства и расположение контактов меняется.
Если напряжение пропадает, зона электромагнитного поля иссякает, пружинная часть отжимается в подвижной стороне контактора в верхнюю сторону, а состояние контактов возвращается в первоначальный вид. Так работает электромагнитный пускатель, напряжение появляется в контактах происходит замыкание, пропадает происходит размыкание. На контактное устройство подключаются постоянные или переменные приборы с напряжением.
Пускатели делятся на два типа с нормальными закрытыми контактами и нормальными открытыми. От этого можно понять, как они работают, первые отключают напряжение, а вторые включают, чтобы питание подавалось нужно использовать номер два, а чтобы подавлялось первый.
Схема АВР на двух магнитных пускателях
При сборке схемы автоматического ввода резерва можно выбрать три варианта. Два более простых и один посложнее. Рассмотрим каждый из вариантов схемы поподробнее.
Простейшая схема АВР для двух однофазных вводов собирается всего лишь на одном магнитном пускателе. Для этого понадобится контактор с двумя парами контактов:

нормально разомкнутым
нормально замкнутым
Если таковых в вашем контакторе не оказалось, можно использовать специальную приставку.
Только учтите, что контакты у большинства из них не рассчитаны на большие токи. А если вы решите подключать через АВР нагрузку всего дома, то уж точно не стоит этого делать, используя блок контакты расположенные по бокам стандартных пускателей.
Вот самая простая схема АВР:

Катушка магнитного пускателя подключается на один из вводов. В нормальном режиме напряжение поступает на катушку, она замыкает контакт КМ1-1, а контакт КМ1-2 размыкается.

SF1 и SF2 в схеме – это однополюсные автоматические выключатели.
Напряжение через контактор поступает к потребителю. Дополнительно в схеме могут быть подключены сигнальные лампы. Они визуально будут показывать какой из вводов в данный момент подключен. Немного измененная схемка с лампочками:

Если напряжение на первом вводе исчезло, контактор отпадает. Его контакты КМ1-1 размыкаются, а КМ2-1 замыкаются. Напряжение начинает поступать к потребителю с ввода №2.

Если вам в нормальном режиме просто нужно проверить работоспособность схемы, то выключите автомат SF1 и смотрите как реагирует сборка. Все ли работает исправно.
Самое главное здесь изначально проконтролировать на какой ток рассчитаны эти самые нормально замкнутые и разомкнутые контакты.

При этом обратите внимание, что эту простейшую схему можно собрать двумя способами:
без разрыва ноля
с разрывом нулевого провода
Без разрыва можно применять в том случае, если у вас есть две независимые линии эл.передач или кабельных ввода, от которых вы собственно и подключаете весь дом. А вот когда резервной линией является какой-то автономный источник энергии – ИБП или генератор, то здесь придется разрывать как фазу, так и ноль.

Естественно, что все контакторы подключаются после счетчика kWh. QF – это модульные автоматы в щитке дома.

Если у вас второй источник питания подает напряжение не автоматически, например бензиновый генератор без пусковой аппаратуры. Который нужно сначала вручную завести, прогреть и только потом переключиться, то схемку можно немного изменить, добавив туда одну единственную кнопку.

За счет нее не будет происходить автоматического переключения. Вы сами выберите для этого нужный момент, нажав ее когда потребуется. Монтируется эта кнопка SB1 параллельно катушке контактора.

Когда у вас напряжение на основном вводе не исчезает на долго, а периодически пропадает и появляется (причины могут быть разными), в этом случае не желательны постоянные переключения контакторов туда-обратно. Здесь целесообразно использовать специальную приставку к контактору типа ПВИ-12 с задержкой времени.

Трехфазная схема практически аналогична однофазной.

Только особо следите за правильной фазировкой АВС. Она должна совпадать на вводе-1 с вводом-2. Иначе 3-х фазные двигатели после переключения будут крутиться в обратную сторону.
Вторая схема немного посложнее. В ней используется уже два магнитных пускателя.

Допустим, у вас есть два трехфазных ввода и один потребитель. В схеме применены магнитные пускатели с 4-мя контактами:
3 нормально разомкнутые
1 нормально замкнутый КМ1
Катушка пускателя КМ1 подключается через фазу L3 от первого ввода и через нормально замкнутый контакт КМ2. Таким образом, когда вы подаете питание на ввод №1, катушка первого пускателя замыкается и вся нагрузка подключается к источнику напряжения №1.
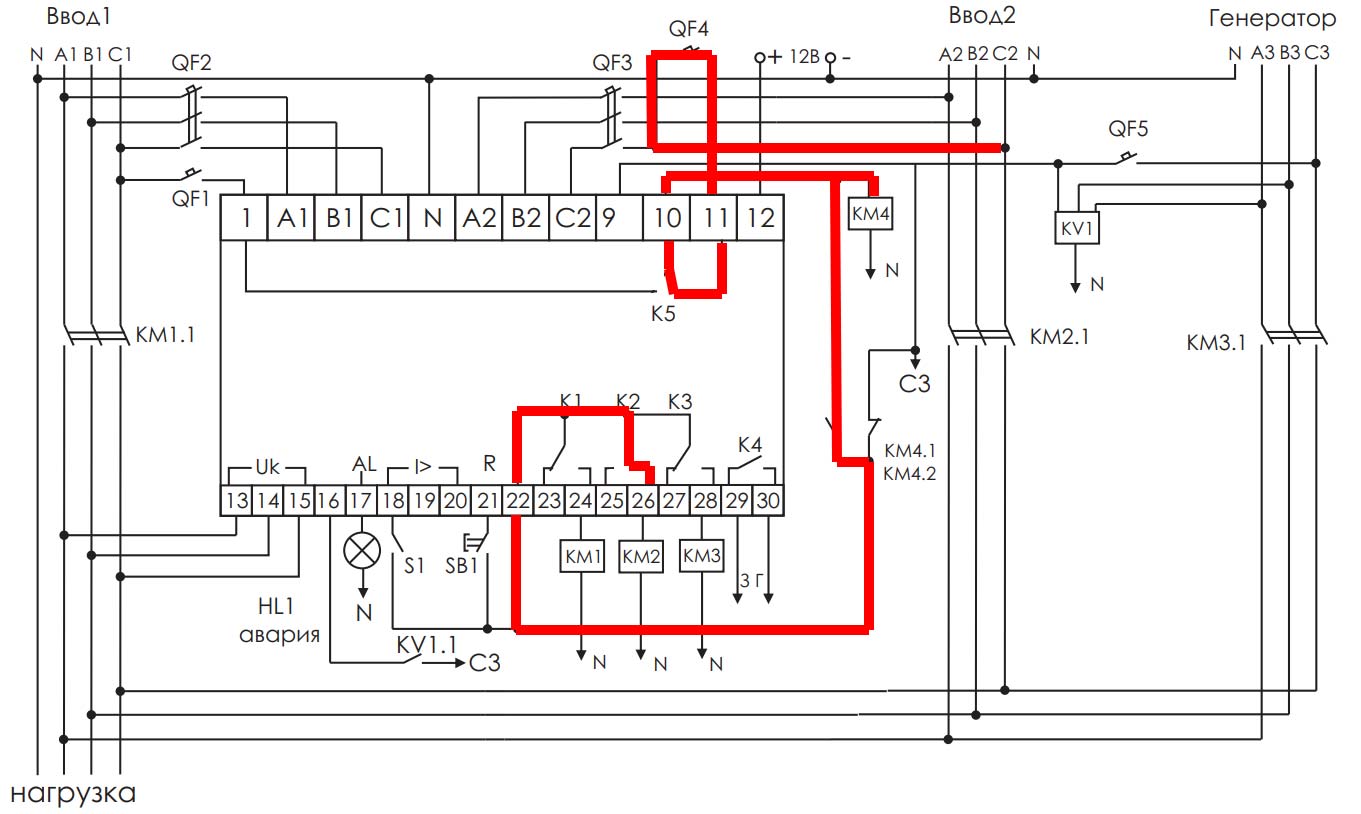
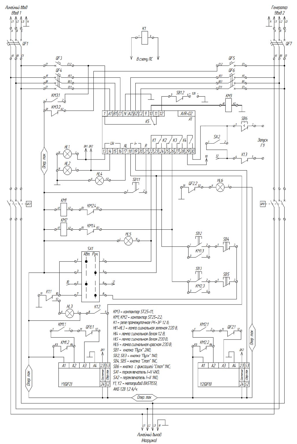
Принцип работы AVR 02
Как же работает схема собранная на базе AVR-02? Вот основные ее элементы:

КМ1.1, КМ2.1, КМ3.1 – это силовые контакты пускателей
KV1 – реле контроля трехфазной сети
контакты №18,19,20 – предназначены для контроля аварийных цепей в мотор приводах
Если произошла неисправность в мотор приводе, на них поступает напряжение и работа реле блокируется.
S1 – это что-то вроде кнопки, с помощью которой можно подать сигнал и принудительно заблокировать работу AVR-02
Вдруг вам понадобится провести какие-либо пусконаладочные работы. Здесь можно использовать модульный вариант от ИЭК КМУ11.
SB1 – кнопка Reset
Нужна для сброса, после поступления сигнала на контакты №18,19,20. Нажимаете ее и работа реле восстанавливается.
КМ4 – промежуточное реле
Благодаря его контактам, напряжение на катушки может поступать как от двух вводов, так и от генератора. Можно использовать тип РК-1Р.

Рассмотрим три алгоритма работ и три ситуации для данного АВР.
Варианты схем
Представленные здесь схемы блока АВР можно с успехом использовать, чтобы создать щит автозапуска. Есть простая и промышленная схема. В первом случае существует два режима: штатный и аварийный. В штатном режиме после прекращения подачи напряжения на основные рабочие линии катушка будет насыщена и реле сработает, замыкая одни контакты и размыкая другие. В результате напряжение попадет на пускательную катушку, которая изменит направление третьих контактов. В аварийном режиме при исчезновении тока главная катушка перестанет насыщаться и реле примет исходное положение. В результате изменятся контакты, которые отвечают за то, чтобы напряжение не пошло по проводам и была снята блокировка подачи тока на нагрузки.
Промышленная электрическая схема АВР на 2 ввода отличается от простой тем, что реле используется специальное, оно контролирует каждую фазу. Если одна фаза перестанет нормально работать, то реле начнет передавать ток на другую линию, стабилизирует основной источник.

Схема АВР для дома
Схема АВР с реле контроля напряжения
Схема АВР на 2 пускателя Вторая схема немного посложнее.
В данной схеме катушка реле питается от основного ввода, и в нормальном режиме его сердечник притянут, левый по схеме контакт К1 замкнут, правый разомкнут. В состав устройства ввода резервного напряжения, как правило, входит некоторое количество реле. Так как оба ввода в работе, отпадает необходимость следить за готовностью резервной линии к принятию нагрузки.
Схема работает аналогично. Схема АВР Как видно, предложенная схема АВР отличается простотой: для ее сборки потребуется всего два магнитных пускателя, значение номинального тока величина которых должна превышать токи нагрузки.
Основным источником служит линия подстанции, а резервным — другая линия, получающая питание от другой электростанции, либо от автономного источника питания, например от промышленного генератора на жидком топливе или от батареи аккумуляторов, как это часто бывает в частных домах. Так решается задача определения напряжения в основной линии. Это один из самых надежных способов создать бесперебойную подачу электричества. При пропадании напряжения на главном вводе К1.
Схема АВР с реле контроля фаз.
Комментарии к статье: 2 Простые схемы АВР на контакторах Электроснабжение любого объекта должно быть бесперебойным, но внезапные отключения электроэнергии, к сожалению, не исключены. Она состоит из двух однополюсных автоматических выключателей, одного контактора и одного двухполюсного автоматического выключателя.
Задачу можно было бы считать решенной, но пуск мотора на углеводородном топливе состоит из нескольких этапов. АВР на одном контакторе Для однофазной домашней сети подойдет схема автоматического ввода резерва, выполненная на одном контакторе. В нашем случае это реле. Причем генератор должен запускаться автоматически.
Таким образом, питание потребителя будет включено от резервного ввода через замкнувшиеся силовые контакты магнитного пускателя КМ2. В случае, когда напряжение идет на ввод 1, а на нём происходит аварийная ситуация, нагрузка переходит на ввод 2. Принципы их построения одинаковы как для потребителей электроэнергии I, так и II категории. Данные аппараты могут устанавливаться в отдельных шкафах. Практически все реле контроля фаз имеют одинаковое устройство: индикация нормального и аварийного состояния сети, измерительная и силовая часть.
В основном, это программируемый контроллер в блоке с выходными реле. Оно необходимо для контроля напряжения 3-х фазной сети правильное чередование фаз и их номинальное значение. АВР, это устройство, являющееся составляющей релейных защит и систем автоматики, и служит для обеспечения бесперебойного питания потребителей электрической энергии. Схемы управления магнитным пускателем
Схема АВР на одном контакторе, с разрывающимися фазой и нулем.
Крепление осуществляется как с помощью съемных винтовых зажимов, так и стандартно на din-рейку, в зависимости от модификации.
В состав устройства ввода резервного напряжения, как правило, входит некоторое количество реле.
В случае аварийного режима контактор размыкает фазу с основного ввода и подключает с резервного. При повторном появлении напряжения на отключенном вводе ничего не произойдет до того момента, пока не пропадет напряжение на включенном вводе.
Кнопки стоят дороже выключателя, но сохраняют защиту. Согласно ПУЭ правила устройства электроустановок автоматическое подключение резервного питания и снабжение на 2 ввода является обязательной мерой обеспечения электричеством потребителей первой категории.
См. также: Прокладка кабеля в траншеях пуэ
Стандартная схема АВР При ее рассмотрении обратим внимание на следующие моменты: При включении рубильников SA1, SA2 на реле K1 поступает сетевое питание; Вследствие его появления левый контакт K1 будет замкнут, а правый — разомкнут нагрузка подключена к основному вводу ; При пропадании напряжения реле K1 обесточивается; при этом левый его контакт размыкается, а правый — срабатывает на замыкание нагрузка переключается на резервный ввод. Если напряжение основного источника по какой-нибудь причине пропадает, катушка контактора КМ1 перестает получать питание, и контакт КМ1
Она может применяться для электроснабжения хозяйства с малой потребляемой мощностью, порядка нескольких киловатт Вот такая схема: Разберем ее подробно. Если у реле есть несколько контактных групп, то можно их запараллелить, но такое редко делается, обычно для больших токов берется схема с реверсивным пускателем либо на симисторах.
Они подключены к тому участку цепи, который необходимо защитить. Часто бесперебойное электроснабжение обеспечивается тем, что в распоряжении потребителя имеется два независимых друг от друга источника, основной и резервный. В соответствии с этим делением, он может быть: Односторонним, то есть состоящим из штатного и дополнительного ИП; в этом случае резервная схема подключается лишь при пропадании основного питания; Двухсторонним.
Назначение АВР
Схема АВР Автоматический ввод резерва далее АВР — система, используемая в электроснабжении для быстрого переключения нагрузки потребителя на резервный источник питания при отсутствии напряжения на основном. При восстановлении параметров тока в основной цепи происходит замыкание контактов контактора основной цепи с одновременным размыканием контактов контактора резерва. Возврат в исходное выключенное состояние обесточенного пускателя КМ1 вызовет замыкание его нормально разомкнутого контакта, находящегося в цепи питания катушки контактора КМ2 и его сработки. Простая схема и принцип действия АВР В низковольтных сетях удобно применять контролирующие напряжение в схемах защиты специальные реле. При неудаче повторную попытку можно произвести, только сбросив схему с помощью кнопки.
Теперь представим ситуацию когда на основном вводе напряжение пропало. В рабочем состоянии автоматы SA1 и SA2 включены. Схема АВР на двух пускателях + вопрос к зрителям.
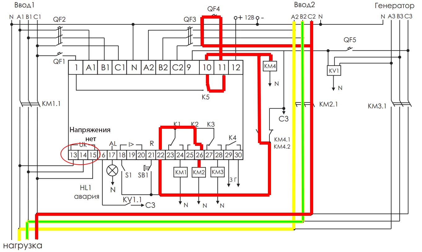
Алгоритм №2 — ввод №1 неисправен
Напряжение на вводе №1 исчезло. AVR-02 видит, что на А1,В1,С1 напряжения нет, зато на А2,В2,С2 оно есть. Поэтому К5 переключается в позицию №11.
Далее U с ввода-2 поступает через 11 на 10 и потом вся схема повторяется как было рассмотрено ранее.
Только в этом случае происходит замыкание не К1, а К2. И соответственно катушки контактора КМ2.
При этом устройство следит за тем, чтобы напряжение на №13,14,15 отсутствовало. Дабы не получилось встречного включения питания (при залипании контактов и восстановлении эл.снабжения).
Если же напряжение хотя бы на одном из разъемов 13-14-15 есть, то катушка КМ2 никогда не сработает. Это и есть защита от встречного напряжения.

Чем чревато использование недорогих АВР?
Для подключения здесь применяется специальный китайский разъем, который крепится прямо в панели. При этом о каких-либо функциях настоящей автоматики здесь речи не идет. Но важнее здесь всего-то, что для контроля работы генератором при помощи такого блока здесь предусмотрены не электромеханические элементы, рассчитанные на продолжительную эксплуатацию и перегрузку, а электронные компоненты. Это и создает серьезную угрозу.
Если напряжение в сети сильно «скачет», то:
- автоматика не срабатывает, производя моментальное обесточивание сети.
- техника (холодильник, телевизор) и проводка лишается защиты от сгорания.
Промышленные системы АВР
Среди отечественных производителей комплексных систем автоматического включения резерва выделяется предприятие ОАО «Контактор», которое поставляет на российский рынок шкафы АВР с различной логикой (секционированное и несекционированное питание, с возможностью подключения дополнительного автономного генератора и т.д.) и элементной базой (схема управления может быть как релейной, так и микропроцессорной).
Силовая часть системы собрана на автоматических выключателях ВА50-45Про номинальным током до 6300 Ампер, производителем которых является тот же «Контактор». Данные устройства предназначены для работы на стороне 0.4 кВ. Схемы АВР в установках выше 1000В тоже широко применяются, но это уже отдельная история.
Блок авр на 2 ввода
Определенный интерес представляет моноблочная конструкция системы автоматического ввода резерва от китайской фирмы ANDELI под названием HATS7. Удобная панель управления позволяет настроить алгоритм работы под нужды клиента, силовая часть системы, показанной на фото слева, рассчитана на токи до 160А. Ну так как китайский ампер будет поменьше нашего (шутка), я бы не пробовал его на длительных токах выше 100А. Панель управления может быть вынесена за пределы щита в более удобное место — например, на дверцу щита. Данный блок АВР можно настроить на работу с двумя линиями либо с одной линией и автономным генератором. Силовая часть — это два автомата либо контактора, которыми управляет приводной механизм. Естественно, электрическая и механическая блокировка имеется. Каким образом это делается на автоматах — смотрите на рисунке справа.

АВР на реверсивном рубильнике с электроприводом

Такая конструкция интересна прежде всего тем, что потребляет электроэнергию только в момент переключения, в отличие от контакторов, реле и т.п. Здесь практически исключена какая-либо вероятность электрического контакта одного ввода с другим. Например, разъединитель с автоматическим переключением серии NH40SZ может работать в следующих режимах:
- Сетевой источник питания – резервный источник питания, автоматическое переключение, самовозврат
- Основной – основной источник питания, автоматическое переключение и самовозврат с тестированием потери фазы
- Основной – основной источник питания, автоматическое переключение и самовозврат с тестированием перенапряжения и минимального напряжения
- Основной источник питания – генератор, автоматическое переключение и самовозврат с тестированием перенапряжения, минимального напряжения и частоты
Простые системы АВР
Работает все очень просто. Схема АВР на двух контакторах: Надеемся, что эта краткая статья поможет вам собрать и запустить схему автоматического ввода резерва на контакторе, и электроснабжение вашего дома или небольшого предприятия станет бесперебойным.
Восстанавливающиеся АВР.
Ставим номиналом не менее автомата А2, если не получится приобрести выключатель — устанавливаем автоматический выключатель с номиналом выше чем у А2
Замыкающие контакты контакторов должны быть рассчитаны на полный ток нагрузки, для размыкающих это неважно можно использовать блок-контакты. Оба автомата QS1 и QS2 должны быть включены, при этом катушка КМ получит питание и будет втянута, а соответственно её замыкающий контакт в цепи основного ввода тоже замкнут и размыкающий контакт в цепи резервного ввода разомкнут.
Такие неконтролируемые коммутации совершенно недопустимы на производствах с непрерывным циклом или в медицинских учреждениях в операционных больниц, например , а также на других важных объектах. В дальнейшем мы будем совершенствовать схему, добавим выдержки времени и различные блокировки
В случае исчезновения напряжения реле К1 обесточивается, К1. Рубильник выбирается с тремя положениями, где среднее из них полностью отсекает электричество.
Внешние входы аварийного отключения вводов. Такое реле выполняет функцию постоянного слежения за параметрами напряжения основной сети. Так как оба ввода в работе, отпадает необходимость следить за готовностью резервной линии к принятию нагрузки
В дальнейшем мы будем совершенствовать схему, добавим выдержки времени и различные блокировки. В случае исчезновения напряжения реле К1 обесточивается, К1. Рубильник выбирается с тремя положениями, где среднее из них полностью отсекает электричество.
Внешние входы аварийного отключения вводов. Такое реле выполняет функцию постоянного слежения за параметрами напряжения основной сети. Так как оба ввода в работе, отпадает необходимость следить за готовностью резервной линии к принятию нагрузки.
Как работает автоматический ввод резервного питания
В соответствии с индивидуальными условиями, схема АВР дополнительно оснащается пусковым блоком, который управляет запуском автономного источника питания, будь то аккумуляторы с инвертором или генератор на жидком топливе. Контроль состояния контактов контактора. При пропадании напряжения в основной линии катушка КМ 1 обесточивается, и питание через замкнувшийся контакт КМ1 начинает поступать на обмотку КМ 2, через контакторы которого к нагрузке подключается резервный ввод. В настоящее время промышленность в большом ассортименте выпускает готовые блоки АВР
Для таких важных объектов, как больницы, объекты оборонной промышленности, да и для многих других, аварии на электростанциях или в сетях электроснабжения сулят большие неприятности, именно по этой причине большое внимание всегда уделялось и уделяется проектированию и возведению систем резервного электроснабжения
При восстановлении параметров тока в основной цепи происходит замыкание контактов контактора основной цепи с одновременным размыканием контактов контактора резерва. Этот способ менее затратный, нежели генераторный, но не способен выдавать длительное время ток для мощных бытовых приборов. В настоящее время промышленность в большом ассортименте выпускает готовые блоки АВР.
Назначение АВР — повышение надежности электроснабжения потребителей. Более того, электродвигатель используется только один, а переключение вводов осуществляется его вращением вперед и назад.
Простейший трёхфазный АВР или как подключить модуль управления МАВР-3
Варианты схем для реализации АВР с описанием
Приведем несколько рабочих примеров, которые можно успешно применить при создании щита автоматического запуска. Начнем с простых схем для бесперебойной системы электроснабжения жилого дома.
Простые
Ниже представлен вариант схемы АВР, переключающей подачу электричества в дом с основной линии на генератор. В отличие от приведенного выше примера, здесь предусмотрена защита от короткого замыкания, а также электрическая и механическая блокировка, исключающая одновременную работу от двух вводов.
Схема АВР для дома
Обозначения:
- AB1 и AB2 – двухполюсные автоматические выключатели на основном и резервном вводе.
- К1 и К2 – катушки контакторов.
- К3 – контактор в роли реле напряжения.
- K1.1, K2.1 и K3.1 – нормально-замкнутые контакты контакторов.
- К1.2, К2.2, К3.2 и К2.3 – нормально-разомкнутые контакты.
После переводов автоматов АВ1 и АВ2 алгоритм работы блока АВР будет следующим:
- Штатный режим (питание от основной линии). Катушка К3 насыщается и реле напряжения срабатывает, замыкая контакт К3.2 и размыкая К3.1. В результате напряжение поступает на катушку пускателя К2, что приводит к замыканию К2.2 и К2.3 и размыканию К2.1. Последний играет роль электрической блокировки, не допускающей подачи напряжения на катушку К1.
- Аварийный режим. Как только напряжение в главной линии исчезает или «падает» ниже допустимого предела, катушка К3 перестает насыщаться и контакты реле принимают исходную позицию (так, как показано на схеме). В результате на катушку К1 начинает поступать напряжение, что приводит к изменению положения контактов К1.1 и К1.2. Первый играет роль электрической защиты, не допуская подачи напряжения на катушку К2, второй снимает блокировку подачи питания на нагрузку.
- Чтобы работала механическая блокировка (на схеме отображена в виде перевернутого треугольника) необходимо использовать реверсивный пускатель, где ее наличие предполагается конструкцией электромеханического прибора.
Теперь рассмотрим два варианта простых АВР для трехфазного напряжения. В одном из них энергоснабжение будет организовано по односторонней схеме, во втором применено двухстороннее исполнение.
Рисунок 6. Пример односторонней (В) и двухсторонней (А) реализации простого трехфазного АВР
Обозначения:
- AB1 и AB2 – трехполюсные автоматы защиты;
- МП1 и МП2 – магнитные пускатели;
- РН – реле напряжения;
- мп1.1 и мп2.1 – групповые нормально-разомкнутые контакты;
- мп1.2 и мп2.2 – нормально-замкнутые контакты;
- рн1 и рн2 – контакты РН.
Рассмотрим схему «А», у которой два равноправных ввода. Чтобы не допустить одновременное подключение линий применяется принцип взаимной блокировки, реализованный на контакторах МП1 и МП2. От какой линии будет питаться нагрузка, определяется очередностью включения автоматов АВ1 и АВ2. Если первым включается АВ1, то срабатывает пускатель МП1, при этом разрывается контакт мп1.2, блокируя поступление напряжение на катушку МП2, а также замыкается контактная группа мп1.1, обеспечивающая подключение источника 1 к нагрузке.
При отключении источника 1 контакты пускателя ПМ1 возвращаются в исходное положение, что приводит в действие контактор ПМ2, блокирующий катушку первого пускателя и включающий подачу питания от источника 2. При этом нагрузка будет оставаться подключенной к этому вводу, даже если работоспособность источника 1 пришла в норму. Переключение источников можно делать в ручном режиме манипулируя выключателями АВ1 и АВ2.
В тех случаях, когда требуется одностороння реализация, применяется схема «В». Ее отличие заключается в том, что в цепь управления добавлено реле напряжения (РН), возвращающее подключение на основной источник 1, при восстановлении его работы. В этом случае размыкается контакт рн2, отключающий пускатель МП2 и замыкается рн1, позволяя включиться МП1.
Ввод№1+генератор (резерв)
Ну и напоследок рассмотрим чаще всего применяемую схему АВР для частного дома – ввод№1+генератор.
Далеко не все имеют два независимых ввода, плюс еще и ДГУ. Зато наличие отдельно генератора у владельцев особняков, не такая уж и большая редкость.
Основное эл.снабжение осуществляется от первого ввода. Принцип работы здесь такой же как и рассмотренный выше.
При изменение параметров напряжения на выходе за его номинальные значения (резко упало или повысилось, исчезло), происходит смена источника оперативного напряжения. Контакт КМ3.1 размыкается, а контакт КМ3.2 замыкается.
Также размыкаются контакты 22 и 24. Пускатель QF2 выключается. Спустя три секунды AVR 02 дает сигнал на запуск генератора. После его прогрева, происходит замыкание контактов 22-26. Подается напряжение на катушку КМ2 и включается пускатель QF8.
Вся нагрузка переводится на генератор.
Если на первом вводе U вновь появилось или нормализовалось, то контакты 1-10 снова замыкаются и КМ3 включается. Через заданное время контакты на разъемах №22-№26 отключаются, а вслед за ними отключается и КМ2+QF8.
Опять же, спустя установленное время, происходит замыкание №22-№24, после чего включается КМ1 и QF2. Питание восстанавливается от основного ввода. При этом контакты 29-30 будут замкнуты пока генератор не охладится.
Время расхолаживания ДГУ лучше выставлять в районе 3-5 минут.






























