Схемы подключения проходных выключателей
Способ расключения маршевых выключателей определяется конкретными условиями применения. В нескольких случаях мы рассмотрим 2 варианта изображения подключения. Первый из них более прост для понимания, и его достаточно при установке приборов в случае уже существующей электропроводки. Другой вариант учитывает требование прокладки кабеля с применением распределительных коробок, что реально исполнить в новостройке или при замене проводки.
Стандартный вариант установки в 2-х точках
Вариант управления одним или несколькими параллельно соединенными лампами из двух местоположений наиболее востребован и прост. Существует четыре возможные комбинации положения клавиш двух выключателей: в двух из них светильник включен, в двух других – выключен.
В примере с фото приборов сзади цепь разомкнута, и лампа не горит. На нижней части иллюстрации цепь замкнута, и свет включен. Можно сказать, что в данной схеме подключения один обычный выключатель заменен двумя одноклавишными проходными, соединенными между собой двухжильным кабелем.
Данная иллюстрация демонстрирует подключение с применением распределительной коробки. Как видите, каждый из приборов соединен с коробкой трехжильным кабелем.
Схемы управления одним светильником из нескольких точек
Управление из нескольких точек необходимо при движении по длинному переходу. Например, в трехэтажном доме на каждом этаже можно управлять освещением на лестнице там, где нужно.
Чтобы реализовать схему независимого управления освещением из трех местоположений, необходим перекрестный выключатель. Как и в предыдущем варианте, они могут быть соединены между собой двухжильным кабелем.
Теперь познакомимся со схемой электромонтажа, выполненной по всем правилам, с применением распредкоробки. Как видите, для подсоединения к распределительной коробке двух проходных переключателей необходим трехжильный кабель, а для перекрестного — придется использовать два двухжильных.
По этому же принципу можно построить схему управления освещением из 4-х и более местоположений. Первый и последней прибор в цепи – проходные выключатели. Промежуточные приборы — перекрестного типа.
Управление несколькими светильниками из нескольких мест
Бывают ситуации, когда необходимо управлять несколькими светильниками из нескольких местоположений. Например, в спальне возможна установка одного двухклавишного проходного переключателя у двери, а другого — у кровати. Тогда в обоих местах можно будет включать и выключать как общее освещение в комнате, так и светильники у кровати.
Для реализации такой схемы потребуется два двухклавишных проходных выключателя. Для их соединения в простейшем случае необходимо два двухжильных кабеля.
Монтажная схема правильного подключения двухклавишного проходного выключателя с применением распредкоробки выглядит более внушительно. Коробка потребуется большого размера, так как в ней должно уместиться восемь соединений проводов. Для подключения первого проходного выключателя потребуется двухжильный и трехжильный кабель, а для подсоединения второго – два трехжильных.
Теоретически, увеличивая количество проходных 2-х клавишных выключателей, можно осуществлять независимое управление освещением 2-х светильников из любого количества мест. Возможно, Вы захотите оперировать из двух местоположений тремя группами лампочек в люстре. Схема с применением тройного выключателя демонстрирует реальную возможность такой работы, однако кабеля при этом потребуется немало.
Данная схема подключения проходного выключателя из 3-х мест демонстрирует возможность управления двумя отдельными лампочками. Два двухклавишных проходных выключателя могут стоять у кровати, третий – у двери спальни. Везде можно включить и выключить местное освещение, либо общий светильник.
Как мы уже заметили, схему управления освещением можно наращивать бесконечно. Возможность включать и выключать 2 различных светильника из четырех точек может пригодиться в длинном коридоре дома с большим количеством комнат. Очевидно, после рассмотрения различных примеров не составит труда составить самому любую схему независимого управления освещением с применением одноклавишных и других проходных выключателей.
Выключатель с розеткой / без розетки
- Подключение переключателя совместимого с розеткой.
Изображение совмещенного блока трехкнопочного переключателя и электрической розетки марки Makel
Данный вид применим для экономии проводов и отсутствия необходимости совмещения отводов двух устройств в распределительной коробке.
Достоинства:
- возможность найти подходящую модель;
- объединении выключателей и розеток в один блок;
- нет необходимость пробивания двух отверстий в стене;
- простота подключения;
- пожароуязвимы.
Недостатки:
- сложность ремонта отдельных элементов;
- в случае поломки меняется весь блок.
Совмещенные модели классифицируются по числу розеток и числу выключателей. Разновидности:
- с одной клавишей;
- с двумя;
- с тремя.
- Подключение переключателя раздельного.
Способ подключения заключается в соединении между собой проводком электрической цепи в распределительной коробке (РК).
Установка проводится:
- Подготовка мест для монтажа розетки (если наружная), если внутренняя – участок в стене.
- РК должна иметь:
- от электророзетки – 2 отвода;
- от выключателя – 2 отвода;
- от элетросети – 2 отвода;
- отдельно проводится монтаж заземления;
- отводы делятся на: нулевые и фазные.
- Вначале присоединяется фаза к выключателю. Такие отводы плотно скручиваются и фиксируются изолирующей лентой.
- Провод «0» подводится к выходам розетки.
- Проводящий нулевой кабель соединяется с нулевым отводом элетро-розетки.
Управление освещением с трех мест и более
Нередки ситуации, когда в жилых помещениях большой площади возникает потребность управлять освещением сразу из нескольких точек. Для создания системы многоточечного управления, позволяющей подключать и выключать свет из 3-х мест одновременно, установки одних проходных переключателей обычно недостаточно.

Для этих целей потребуется интегрировать в схему еще один элемент – перекрестный выключатель, который подключается в разрыве двухжильного провода (то есть между проходными приборами).
Если в прежние времена допустимость монтажа таких схем обуславливалась в основном планировкой помещений, то сегодня они встречаются практически повсеместно. Монтаж проходных выключателей этого типа – совсем непростое занятие. Прежде всего, потребуется ознакомиться с принципом его работы.
Принцип работы перекрестного переключателя (выключателя)
Конструкция переключателя предусматривает наличие четырех контактов, из которых два подсоединяются к клеммам одного переключателя и еще два – ко второму прибору.

Эти устройства при таком включении выполняют особые (транзитные) функции, поскольку являются в определенной степени переходными.
Наглядно посмотреть принцип работы перекрестного переключателя Вы можете на Gif-картинке, расположенной ниже.

Схема подключения проходного выключателя для управления из 3х мест
Схемное изображение подключения 2-х проходных и одного перекрестного переключателя представлено на рисунке.

Из него хорошо видно, что между двумя проходными переключателями устанавливается перекрестный выключатель, действующий в качестве своеобразного транзитного узла.
Ниже показана схема подключения проходного выключателя, на которой видно соединения всех элементов электрической цепочки управления освещением в распределительной коробке.

Видео, которое мы разместили ниже, несомненно поможет Вам собрать схему подключения трех выключателей в распределительной коробке.
Схема подключения проходного выключателя для управления из 4х мест
Для четырех точек управления потребуется применить комплексную схему распайки, изображенную на рисунке ниже. В таком комплекте используются не только два проходных, но и пара переключателей перекрестного типа.

При рассмотрении варианта управления светильником сразу из 4-х мест потребуются два перекрестных коммутирующих прибора.

При наличии в данном помещении нескольких осветительных групп предпочтение следует отдать двухклавишным выключателям перекрестного типа. Установленные таким образом проходные системы заметно упрощают процедуру управления освещением.
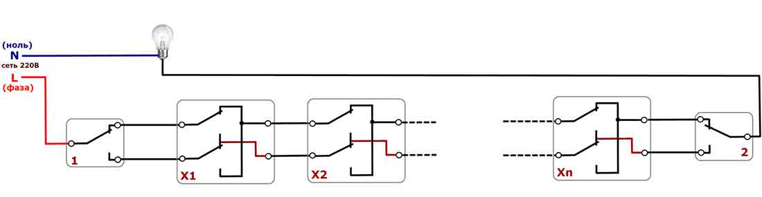
Схема подключения проходного выключателя для управления из 5 мест
Для управление освещением из пяти точек потребуется два проходных выключателя и три перекрестных. Схема подключения будет выглядеть следующим образом:

Схема управления освещением из пяти мест и более с помощью проходных и перекрестных выключателей (1 и 2 — проходные, х1, х2 …хn — перекрестные)
Известные производители проходных переключателей
Компания Легранд занимает лидирующую позицию на рынке электротоваров. Востребованность проходных выключателей Legrand обусловлена высоким качеством исполнения изделий, простотой монтажа, удобствами в дальнейшей эксплуатации, стильным дизайном и гибкой ценовой политикой. Единственным недостатком является необходимость в подгонке установочного места. Если оно не будет совпадать с изделием, могут возникнуть трудности при его монтаже, который выполняется согласно схеме подключения проходного выключателя Легранд.

Проходные переключатели фирмы Legrand
Дочерним предприятием Легранд является китайская компания Lezard. Однако от родного бренда у изделий остался лишь стильный дизайн. Качество сборки намного ниже, что обусловлено низкой стоимостью продукции.
Одним из ведущих отечественных производителей электротоваров считается компания Wessen, которая является частью фирмы Schneider Electric. Все изделия изготавливаются по новейшим технологиям на современном зарубежном оборудовании и соответствуют европейским стандартам качества. Модели обладают универсальным стильным дизайном, позволяющим вписать каждый элемент в любой интерьер помещения. Отличительной чертой выключателей Wessen является возможность замены декоративной рамки без демонтажа устройства.
Еще одним не менее известным производителем является турецкая компания Viko. Изделия характеризуются высоким качеством исполнения, надежностью и долговечностью, соответствуют требованиям электробезопасности и европейским стандартам качества. При изготовлении корпуса устройства применяется пожаробезопасный прочный пластик, который рассчитан на большое количество циклов работы.

У проходного выключателя, в отличие от обычного, три проводимых провода
Турецкий бренд Makel предлагает качественную, надежную, безопасную и стильную продукцию. Благодаря возможности подключения шлейфа без надобности задействования распределительной коробки, монтаж выключателей становится более простым, а дальнейшая эксплуатация – комфортной и безопасной.
Популярный модельный ряд проходных переключателей
Проходные выключатели Легранд из серии Velena отличаются стильным дизайном и многообразием цветовых вариаций. Здесь представлены одно и двухклавишные изделия, которые имеют пыле- и влагозащитный слой. Купить выключатель можно от 300 р.
В серию Celiane вошли изделия, у которых круговые клавиши вписаны в квадрат. Они могут быть бесконтактными с рычажками или бесшумными. Стоимость переключателей начинается от 700 р. Модельный ряд Exclusive Celiane представлен ограниченным количеством выключателей, выполненных вручную из мрамора, бамбука, фарфора, золота, мирта и других материалов. Рамки выполняются исключительно на заказ. Цена за изделие начинается от 5,9 тыс. р.

Цветовые решения для переключателей из серии Celiane
Самыми популярными сериями выключателей от компании Lezard являются Demet, Mira и Deriy. Здесь представлены изделия, выполненные из негорючего поликарбоната, что соответствует требованиям электробезопасности. Токопроводящие элементы изготовлены из фосфорной бронзы, что характеризуется высокой проводимостью и низким подогревом. Купить проходной одноклавишный выключатель можно от 125 р.
В серии W 59 Frame от Wessen используется модульный принцип, позволяющий установить от 1 до 4 устройств в одну рамку горизонтально или вертикально. Цена изделия составляет 140 р. Отличаются простым дизайном, но высоким качеством исполнения одинарные и двойные проходные выключатели из серии Asfora, купить которые можно за 450 р.
Среди популярных серий компании Makel можно выделить Defne и Makel Mimoza. Корпус устройств выполняется из высококачественного пластика, оснащенный внутренним надежным механизмом. Стоимость изделий начинается от 150 р.

При нажатии кнопки вкл/выкл подвижный контакт проходного выключателя перекидывается из одного контакта на другой, создавая при этом условия для новой цепи в дальнейшем
Принцип работы и установка коммутирующих устройств не представляют существенных сложностей. Необходимо предварительно изучить схему подключения и следовать рекомендациям правил электробезопасности, что даст возможность осуществить надежный и безопасный монтаж устройств, тем самым обеспечит удобное и комфортное управление осветительными приборами в доме.
Как подключить проходной выключатель: видео схемы подключения
https://youtube.com/watch?v=9cG_VmdR4uk
Новые технологии: сенсорные проходные выключатели
Стильные сенсорные выключатели стоят дороже обычных, но пользуются спросом — они стали естественной частью современной «цифровой культуры». Сенсорные устройства — достаточно сложные электронные устройства. Для коммутации тока применяют тиристор или транзистор большой мощности, а сигнал, благодаря которому открывается (или запирается) прибор, поступает с сенсора — датчика, реагирующего на какое-либо внешнее воздействие.
Сенсором может быть датчик движения, или акустический, или емкостной — реагирующий на прикосновение. Чувствительные сенсоры реагируют даже до прикосновения, достаточно поднести руку на расстояние 1-3 сантиметра. В домах обычно устанавливаются емкостные сенсорные выключатели, или совмещенные с датчиком движения. Все сенсорные устройства могут управляться дистанционно. Если пульт управления не входит в комплект, его покупают отдельно.
Полупроводниковый прибор, ответственный за включение-выключение тока, может использоваться и для управления силой тока, яркостью света, если оснащен с диммером
Важно знать, что диммеры подходят не для всех осветительных приборов
На фото — сенсорный выключатель.
Проходные и перекрестные сенсорные выключатели, как и механические, используются для управления осветительными приборами с разных точек. По сравнению с механическими, они более функциональны: могут управляться дистанционно, управлять силой света.
Внешне сенсорные устройства представляют собой гладкую панель из стекла, в подключенном состоянии на ней заметна индикация: голубой светлячок — состояние ОТКЛ, красный — ВКЛ. Для управления осветительным прибором нужно просто прикоснуться к панели устройства.
Парадокс заключаются в том, что технологически продвинутые сенсорные устройства прекрасно справляются с управлением лампами накаливания или газоразрядными, но при включении продвинутых светодиодных светильников возникают проблемы. В цепи «сенсорный выключатель — светодиодный светильник» в отключенном состоянии могут наводиться слабые электрические импульсы, из-за которых светодиоды «подмигивают». Иногда возникают проблемы с диммером, если он регулирует ток через светодиоды.
В таком случае рекомендуется устанавливать дополнительный адаптер… или простые механические выключатели, через которые никакие импульсы не проскакивают.
На рисунке показана схема подключения адаптера параллельно светодиодной лампе.
На этом рисунке адаптер подключен к распределительной коробке и влияет на все светодиоды, включенные в данную цепь.
Рассмотрим схемы подключения проходных сенсорных переключателей.
Здесь показано соединение двух сенсорных проходных выключателей.
Здесь показано соединение трех проходных сенсорных выключателей.
Отметим, что посредине стоит такой же сенсорный переключатель, как и по краям. То есть сенсорные устройства не делятся на «простые» и «перекрестные».
В цепочке сенсорных выключателей есть «главный» — который изображен слева, к нему подходят три провода (один провод — от нагрузки). Перед началом работы систему нужно синхронизировать. Прикоснувшись к панели главного устройства, 5 секунд ждут звукового сигнала. После этого нужно прикоснуться ко второму выключателю. Синхронизация произведена. Далее синхронизируют с главным выключателем третий, четвертый и так далее.
Основные рекомендации при монтаже двухклавишных проходных выключателей
При монтаже как стандартных, так и двухклавишных проходных выключателей рекомендуется:
- Высота размещения от уровня пола должна быть 90 см.
- Расстояние от дверного или оконного проема до проходного выключателя должно быть не менее 15 см.
- Распределительные коробки с коммутацией необходимо располагать на видном месте и при этом их размещение должно выполнятся на расстоянии 15–30 см от уровня потолка.
- Для монтажа проходных выключателей рекомендуется применять 3-х жильный гибкий кабель с сечением 1,5 мм² (ВВГнг, ПВСнг, ШВВП и так далее).
- Кабельно-проводниковая продукция должна быть проложена в гофре, в штробах или кабель-каналах.
- Все металлические поверхности светильников в обязательном порядке должны быть заземлены.
Перекидные выключатели — схема управления освещением из 3-х мест
А что делать, если вы хотите управлять одним освещением из трех точек и более. То есть выключателей в цепи будет 3, 4 и т.д. Казалось бы нужно взять еще один проходной выключатель и все.
Здесь вам на помощь придет перекидной, или как его еще называют крестовой, перекрестный, промежуточный выключатель. Его ключевое отличие состоит в том, что он имеет четыре выхода — два снизу и два сверху.
И устанавливается он как раз таки в промежутке между двумя проходными. Находите в распаечной коробке два второстепенных (не основных) провода от первого и второго проходного выключателя.
Рассоединяете их, и подключаете между ними перекидной. Те провода что приходят с первого подключаете — на вход (ориентируйтесь по стрелочкам), а те что уходят на второй — к выходным клеммам.
Всегда проверяйте схему на выключателях! Зачастую бывает, что вход и выход у них находится на одной стороне (верх и низ). Например схема подключения перекидного Legrand Valena:
Естественно сам перекидной запихивать в распаечную коробку не нужно. Достаточно завести туда концы 4-х жильного кабеля от него. А сам выключатель тем временем располагаете в любом удобном месте — возле кровати, в середине длинного коридора и т.д. Свет вы сможете включать и выключать из любой точки.
Самое главное преимущество этой схемы в том, что ее можно изменять до бесконечности и добавлять сколько угодно перекидных выключателей. То есть проходных будет всегда два (в начале и конце), а в промежутке между ними 4, 5 или хоть 10 перекидных.
Для чего нужен перекрестный вык-ль вместе с 2 проходными
Обычные приборы включают светильники только из одного места, а система из двух проходных — из двух, например, в двух концах длинного коридора. Иногда этого недостаточно и необходимо включать свет на каждом этаже лестницы многоэтажного дома или разных концах комнаты.
Для этого устанавливается система, в которой в двух местах устанавливаются проходные аппараты, а в остальных – с двумя перекидными контактами.
При отсутствии такого устройства его можно сделать из двухклавишного проходного прибора.
Переходной выключатель в двух местах
Схема подключения перек-го вык-ля на 1, 2 и 3 клавиши
Схема подключения таких устройств сложнее, чем обычных, поэтому для безошибочной сборки следует нарисовать схему.
Схема управления из двух мест
Схема управления светом из трех мест, где 1 — проходной выключатель; 2 — перекрестный выключатель; 3, 5 — подрозетники для проходных выключателей; 4 — подрозетник для перекрестного выключателя; 6 — ответвительная коробка; 7 — к корпусу светильника
Схема управления из трех мест
Обозначение 6 видов перекр-х вык-лей
На схемах каждый вид электроприборов имеет своё обозначение. Устройства, отключающие свет, не исключение. На следующем рисунке изображены символы, которыми на схемах отмечаются разные виды переключателей.
Условные обозначения однополюсных выключателей
Они отличаются также рисунком на наружной клавише.
Перекрестный переключатель — схема подключения на 2 точки
Для управления освещением из двух точек устанавливать устройство с двумя перекидными контактами нет необходимости. Для этого достаточно использовать два проходных прибора. Схема подключения составляется так, чтобы к подвижному контакту одного из них подключался фазный провод, к другому лампа, а неподвижные контакты соединялись попарно двумя проводами.
Для управления светом из трёх и более мест необходимы промежуточные переключатели. В начале и конце цепи устанавливаются проходные устройства, а в остальных местах — промежуточные. Число их на 2 меньше количества точек включения. Вставляются такие приборы в разрыв двух проводов, соединяющих проходные переключатели.
Перекрестный двухклавишный выключатель
Схема подключения 2-х клавишного перек-го вык-ля
Перекрёстный 2х клавишный прибор отличается тем, что в нём две клавиши и две группы контактов. Фактически, это два переключателя в одном корпусе.
Если в обычных двухклавишных аппаратах подвижные контакты соединены встроенной перемычкой, к которой подключается фазный провод, то в промежуточных и проходных они не связаны между собой. Это отображается на схеме, на которой изображены две независимые параллельные линии. Единственное место, в котором они соединены — это перемычка на подвижных контактах первого аппарата.
Схема 2 контактов перекрёстных вык-лей
При управлении освещением с нескольких мест переключатели соединяются двумя проводами. Свет горит только тогда, когда все переключатели включают в цепь один и тот же провод. Основная задача устройства с двумя перекидными контактами — менять местами подключение проводов. Для этого внутри прибора установлены соответствующие перемычки.
Схема 2 контактов перекрёстных выключателей
Как подключить проходные выключатели для управления освещением из нескольких мест? Схемы подключения и видео
Как было сказано выше, проходные выключатели предназначены для управления одной или несколькими группами освещения. Мы уже рассмотрели, как подключить сквозной выключатель, и знаем, что управлять осветительными приборами можно с двух и более точек, но каждая из этих схем имеет свои особенности.

Такое устройство, как выключатель, может выглядеть элегантно и богато
В отличие от обычных одно-, двух- и трехклавишных коммутационных блоков, которые монтируются по отдельности, установка проходных выключателей осуществляется только попарно. Далее мы рассмотрим, как реализовать схему управления световыми группами из двух и более мест и функции подключения.
На видео наглядно показана принципиальная схема переключателя байпаса:
Посмотреть это видео на YouTube
Принципиальная схема подключения проходного выключателя с 2-х мест
подключение проходного выключателя практически не отличается от установки обычного 1-, 2- или 3-позиционного выключателя. Разница только в количестве клемм и проводов.
Для реализации двухсторонней схемы подключения выключателя потребуются два коммутационных блока, распределительная коробка, к которой подключаются провода от осветительных приборов и трехжильные кабели от выключателей.

Схема подключения двухпозиционного переключателя
Фазная линия от распределительной коробки подключается к общему входному контакту 1 проходного выключателя. Выходные контакты подключены параллельно аналоговым клеммам второго блока коммутации. От общего разъема второго выключателя провод идет на клемму блока освещения. Другой вывод лампы соединяется проводом в распределительной коробке с «нулем».
Вот в принципе и вся схема подключения выключателей из двух мест. На мой взгляд, ничего сложного в этом нет.
Схема подключения проходного выключателя с 3-х мест
Чтобы иметь возможность включать/выключать свет из трех мест, необходимо купить крестовой (крестовый) выключатель на два выключателя. Отличается от описанных ранее наличием двух входов и двух выходов. Он переключает пару контактов одновременно. Как все должно быть организовано, смотрите на картинке. Если вы поняли, что выше, это легко понять.

Электрическая схема управления светильником с трех точек
Как собрать такую композицию? Вот процедура:
- Ноль (и земля, если она есть) начинается сразу на лампе.
- Фаза подключается к входу одного из проходных выключателей (с тремя входами).
- Вход другого подается на свободный провод лампы.
- Два выхода трехконтактного устройства подключены к входу перекрестного переключателя (с четырьмя входами).
- Два вывода второго трехконтактного блока ведут на вторую пару контактов четырехвходового переключателя.
Та же схема, но с другого ракурса — где вы будете подключать провода к корпусам.

Куда подключать провода
А вот как разводить по комнате.

Проводка при управлении светильником с трех мест
Если вам нужна схема на четыре, пять и более точек, то она отличается только количеством кроссовых переключателей (на четыре входа/выхода). В любой схеме всегда есть два переключателя (с тремя входами/выходами) — в самом начале и в самом конце цепи. Все остальные элементы являются перекрестными единицами.

Схема подключения 5-точечных проходных выключателей
Уберите одно «перекрестие», получите контрольную карту из четырех точек. Добавьте еще — там уже будет расстановка на 6 КПП.
Чтобы окончательно все уложить в голове, посмотрите это видео.
Схема подключения проходного выключателя для управления из 4х мест
Для четырех контрольных точек необходимо использовать сложную схему подключения, показанную на рисунке ниже. В таком комплекте используются не только две втулки, но и пара переключателей крестового типа.

При рассмотрении возможности одновременного управления светильником из 4-х мест потребуются два блока кросс-коммутации.

Если в этом помещении несколько световых групп, следует отдать предпочтение двухкнопочным выключателям крестового типа. Установленные таким образом проходные системы значительно упрощают процедуру управления освещением.
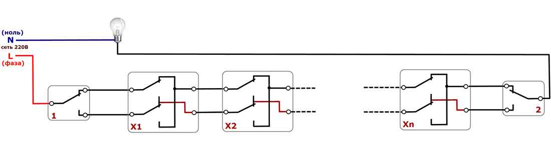
Схема подключения проходного выключателя для управления из 5 мест
Для управления освещением с пяти точек необходимо два сквозных и три перекрестных выключателя. Схема подключения будет выглядеть так:

Схема управления светом от пяти и более мест с помощью проходных и перекрестных выключателей (1 и 2 — сквозные, х1, х2..хн — перекрестные)
Схема подключения проходного выключателя с 2х мест
Схема проходного выключателя с двух мест выполняется при помощи двух проходных одноклавишных устройств, которые работают только в паре. У каждого из них на месте входа есть один контакт, а на месте выхода – пара.
Перед тем как подключить проходной выключатель, схема подключения наглядно отображает все этапы, следует обесточить помещение при помощи соответствующего выключателя, находящегося в щите управления. После чего необходимо дополнительно проверить отсутствие напряжения во всех проводах выключателя. Для этого следует использовать специальную отвертку.
Для выполнения работ понадобится: плоская, крестовая и индикаторная отвертки, нож, бокорезы, уровень, рулетка и перфоратор. Для установки выключателей и прокладки проводов в стенах помещения следует выполнить соответствующие отверстия и штробы, согласно плану расположения приборов.

В отличие от обычных выключателей, проходные переключатели имеют не два, а три контакта и могут переключать «фазу» с первого контакта – на второй или третий
Прокладывать провода необходимо на расстоянии не менее 15 см от потолка. Они могут располагаться не только скрытым способом, но и быть уложены в лотки или короба. Такой монтаж дает возможность быстрого выполнения ремонтных работ в случае повреждения кабеля. Концы проводов обязательно заводятся в монтажные коробки, в которых также выполняются все соединения с помощью контакторов.
Порядок установки проходных выключателей на 2 точки: схема подключения
Все действия по установке коммутирующих устройств выполняются на основании схемы подключения из 2 мест проходных выключателей, которую можно найти в интернете. Она отличается от монтажа обычных выключателей, поскольку здесь присутствуют три провода вместо двух привычных. В этом случае два провода применяются в качестве перемычки между двумя выключателями, расположенными в разных местах помещения, а третий используется для подачи фазы.

В качестве источника освещения в такой схеме могут использоваться любые типы ламп – от обычных ламп накаливания до люминисцентных, энергосберегающих и светодиодных
К распределительной коробке должно подходить пять проводов: питающий от автомата, три кабеля, идущих на выключатели, и подключаемый провод, направленный к осветительному прибору. При построении схемы подключения одноклавишного проходного выключателя используются трехжильные кабеля. Провод «ноль» и заземление выводятся непосредственно на источник света. Коричневый провод фазы, который поставляет ток, проходит через выключатели, согласно схеме, и выводится на лампу освещения.
Переключатели подсоединяются в разрыве фазного провода, а нуль, пройдя распределительную коробку, направлен на осветительный прибор. Пропуск фазы через выключатель обеспечит безопасность во время ремонта и обслуживания светильника.
Установка проходного выключателя состоит из такой последовательности действий:
- выполняется зачистка концов проводов от изоляции;
- при помощи индикатора необходимо определить фазовый провод;
- при помощи скрутки фазовый провод следует соединить с одним из проводов на первом выключателе (здесь задействуют провода белого или красного цвета);
- выполняется соединение проводами между собой нулевых клемм переключателей;
- подключение отдельного провода второго выключателя к светильнику;
- в распределительной коробке провод от светильника соединяется с нулевым проводом;

При установке проходных выключателей самостоятельно, необходимо позаботиться о технике безопасности
Простая схема подключения с четырех мест
Принцип действия остается прежним. Но в схему включается также два дополнительных перекрестных выключателя, необходимые для того, чтобы обеспечить соединения всех контактов.
ПВ схема подключения на 4 точки
Работа перекрестных переключателей независима от других. Они могут передавать напряжение на источник света даже если кнопки проходных переключателей находятся в неактивной позиции. На схематичном изображении отображено, что если свет включен, то нажатие на любую из кнопок приведет к его отключению. Верно и обратное.
Данная схема расширяется до любого количества мест управления освещения. Но главный принцип сохраняется: в начале и конце пути (до лампочки) фазового провода находится два проходных выключателя. Между ними располагаются перекрестные. Их количество равняется количеству желаемых точке управления освещением.
Характеристики сенсорных моделей выключателей
Сенсорный проходной выключатель
Сенсорный переключатель источников света коммутирует ток посредством высокомощного транзистора или тиристора. Сигнал для открытия или закрытия гаджета подается с датчика, реагирующего на внешний раздражитель.
В качестве сенсора используются два типа датчиков – акустические или движения. Существуют модели с емкостными датчиками, реагирующими на касания с 1-3 см. Управление приборами осуществляется дистанционно, что повышает их функциональные возможности.
Внешне сенсорный одноклавишный переключатель имеет вид гладкой стеклянной панели. Световая индикация заметна в момент подключения. Красный цвет отображает включение, голубой – отключение. К приборам могут подключаться лампы накаливания или газоразрядные. Группа из сенсорного выключателя и светодиодного светильника работает со сбоями, но проблема устраняет посредством специального адаптера.
Выводы
Проходные одноклавишные и двухклавишные выключатели — это современные переключатели, которые позволяют организовать управление одним или несколькими источниками освещения с различных мест одного или соседних помещений.
Как видно из вышеприведенной информации и фото, можно сказать, что несмотря на конструкцию (одноклавишный или проходной двухклавишный выключатель схема подключения на 2 источника) очень просто монтируется и позволяет эффективно управлять освещением как в огромном коттедже, крупном торговом помещении или же в промышленных зданиях.
Для подключения данных устройств будет достаточно:
- двух проходных выключателей на 2 клавиши или два одноклавишных переключателя;
- распределительной коробки;
- гибкого кабеля с тремя жилами.






























