Варианты схем для реализации АВР с описанием
Приведем несколько рабочих примеров, которые можно успешно применить при создании щита автоматического запуска. Начнем с простых схем для бесперебойной системы электроснабжения жилого дома.
Простые
Ниже представлен вариант схемы АВР, переключающей подачу электричества в дом с основной линии на генератор. В отличие от приведенного выше примера, здесь предусмотрена защита от короткого замыкания, а также электрическая и механическая блокировка, исключающая одновременную работу от двух вводов.
Схема АВР для дома
Обозначения:
- AB1 и AB2 – двухполюсные автоматические выключатели на основном и резервном вводе.
- К1 и К2 – катушки контакторов.
- К3 – контактор в роли реле напряжения.
- K1.1, K2.1 и K3.1 – нормально-замкнутые контакты контакторов.
- К1.2, К2.2, К3.2 и К2.3 – нормально-разомкнутые контакты.
После переводов автоматов АВ1 и АВ2 алгоритм работы блока АВР будет следующим:
- Штатный режим (питание от основной линии). Катушка К3 насыщается и реле напряжения срабатывает, замыкая контакт К3.2 и размыкая К3.1. В результате напряжение поступает на катушку пускателя К2, что приводит к замыканию К2.2 и К2.3 и размыканию К2.1. Последний играет роль электрической блокировки, не допускающей подачи напряжения на катушку К1.
- Аварийный режим. Как только напряжение в главной линии исчезает или «падает» ниже допустимого предела, катушка К3 перестает насыщаться и контакты реле принимают исходную позицию (так, как показано на схеме). В результате на катушку К1 начинает поступать напряжение, что приводит к изменению положения контактов К1.1 и К1.2. Первый играет роль электрической защиты, не допуская подачи напряжения на катушку К2, второй снимает блокировку подачи питания на нагрузку.
- Чтобы работала механическая блокировка (на схеме отображена в виде перевернутого треугольника) необходимо использовать реверсивный пускатель, где ее наличие предполагается конструкцией электромеханического прибора.
Теперь рассмотрим два варианта простых АВР для трехфазного напряжения. В одном из них энергоснабжение будет организовано по односторонней схеме, во втором применено двухстороннее исполнение.
Рисунок 6. Пример односторонней (В) и двухсторонней (А) реализации простого трехфазного АВР
Обозначения:
- AB1 и AB2 – трехполюсные автоматы защиты;
- МП1 и МП2 – магнитные пускатели;
- РН – реле напряжения;
- мп1.1 и мп2.1 – групповые нормально-разомкнутые контакты;
- мп1.2 и мп2.2 – нормально-замкнутые контакты;
- рн1 и рн2 – контакты РН.
Рассмотрим схему «А», у которой два равноправных ввода. Чтобы не допустить одновременное подключение линий применяется принцип взаимной блокировки, реализованный на контакторах МП1 и МП2. От какой линии будет питаться нагрузка, определяется очередностью включения автоматов АВ1 и АВ2. Если первым включается АВ1, то срабатывает пускатель МП1, при этом разрывается контакт мп1.2, блокируя поступление напряжение на катушку МП2, а также замыкается контактная группа мп1.1, обеспечивающая подключение источника 1 к нагрузке.
При отключении источника 1 контакты пускателя ПМ1 возвращаются в исходное положение, что приводит в действие контактор ПМ2, блокирующий катушку первого пускателя и включающий подачу питания от источника 2. При этом нагрузка будет оставаться подключенной к этому вводу, даже если работоспособность источника 1 пришла в норму. Переключение источников можно делать в ручном режиме манипулируя выключателями АВ1 и АВ2.
В тех случаях, когда требуется одностороння реализация, применяется схема «В». Ее отличие заключается в том, что в цепь управления добавлено реле напряжения (РН), возвращающее подключение на основной источник 1, при восстановлении его работы. В этом случае размыкается контакт рн2, отключающий пускатель МП2 и замыкается рн1, позволяя включиться МП1.
17.1. Назначение авр
Высокую степень надежности электроснабжения потребителей обеспечивают схемы питания одновременно от двух и более источников питания (линий, трансформаторов), поскольку аварийное отключение одного из них не приводит к нарушению питания потребителей. Несмотря на эти очевидные преимущества многостороннего питания потребителей, большое количество п/ст, имеющих два и более источников питания, работают по схеме одностороннего питания. Одностороннее питание имеют также секции шин собственных нужд (СН). Применение такой менее надежной, но более простой схемы электроснабжения во многих случаях оказывается целесообразным для снижения токов КЗ, уменьшения потерь электроэнергии в питающих трансформаторах, упрощения РЗ, создания необходимого режима по напряжению, перетокам мощности и т.п. При развитии электрической сети одностороннее питание часто является единственно возможным решением, так как ранее установленное оборудование и РЗ не позволяют осуществить параллельную работу источников питания. Используются две основные схемы одностороннего питания потребителей при наличии двух или более источников.
В первой схеме один источник включен и питает потребителей, а второй отключен и находится в резерве. Соответственно этому первый источник называется рабочим, а второй резервным (рис. 6.1, а). Во второй схеме все источники включены, но работают раздельно на выделенных потребителей. Деление осуществляется на одном из выключателей (рис. 6.1, в).
Недостатком одностороннего питания является то, что аварийное отключение рабочего источника приводит к прекращению питания потребителей, т.е. к аварии. Этот недостаток может быть устранен быстрым автоматическим включением резервного источника или включением выключателя, на котором осуществлено деление сети. Для выполнения этой операции широко используются специальные автоматические устройства, получившие наименование автоматов включения резерва (АВР). При наличии АВР время перерыва питания потребителей в большинстве случаев определяется лишь временем включения выключателей резервного источника и составляет 0,3–0,8 с.

Рис. 6.1.
Рассмотрим принцип использования АВР на примере схем, приведенных на рис. 6.1.
а) Питание п/ст А осуществляется по рабочей линии w1 от п/ст Б. Вторая линия w2, приходящая от п/ст В, является резервной и находится под напряжением (выключатель Q3 нормально отключен). При отключении линии w1автоматически от АВР включается выключатель Q3 линии w2, чем вновь подается питание потребителем п/ст А. Схемы АВР могут иметь одностороннее или двустороннее действие. При одностороннем АВР линия w1 всегда должна быть рабочей, а линия w2 – всегда резервной. При двустороннем АВР любая из этих линий может быть рабочей и резервной.
б) Питание электродвигателей и других потребителей СН каждого агрегата э/ст осуществляется обычно от отдельных рабочих трансформаторов (Т1 и Т2). При отключении рабочего трансформатора автоматически от АВР включается выключатель Q5 и один из выключателей Q6 (при отключении Т1) или Q7 (при отключении Т2) – резервного трансформатора Т3.
в) Трансформаторы Т1 и Т2 являются рабочими, но параллельно работать не могут и поэтому со стороны низшего напряжения включены на разные системы шин. Шиносоединительный выключатель Q5 нормально отключен. При аварийном отключении любого из рабочих трансформаторов автоматически от АВР включается выключатель Q5, подключая нагрузку шин, потерявших питание, к оставшемуся в работе трансформатору. Каждый трансформатор в рассматриваемом случае должен иметь мощность, достаточную для питания всей нагрузки п/ст. В случае, если мощность одного трансформатора недостаточна для питания всей нагрузки п/ст, при действии АВР должны приниматься меры для отключения части наименее ответственной нагрузки.
г) П/ст В и Г нормально питаются радиально от п/ст А и Б соответственно. Линия w3 находится под напряжением со стороны п/ст В, а выключатель Q5 нормально отключен. При аварийном отключении линии w2 устройство АВР, установленное на п/ст Г, включает выключатель Q5, чем питание п/ст Г переводится на п/ст В по линии w3. При отключении линии w1 п/ст В и вместе с ней линия w3 остаются без напряжения. Исчезновение напряжения на трансформаторе напряжения TV также приводит в действие устройство АВР на п/ст Г, которое включением выключателя Q5 подает напряжение на п/ст В от п/ст Г.
Опыт эксплуатации показывает, что АВР является весьма эффективным средством повышения надежности электроснабжения. Успешность действия АВР составляет 90–95%. Простота схем и высокая эффективность обусловили широкое применение АВР на э/ст и в электрических сетях.
Простая схема АВР на 2 ввода на магнитных пускателях

Схема на магнитных пускательных устройствах
Принципиальная схема соединений на пускательных устройствах используется для однофазных цепей, трехфазным этот вариант не подходит. Электросхема простая, поскольку в ней применяется минимум элементов, но это не снижает ее эффективности. Для активации по очереди включаются SA1 и SA2. При наличии напряжения, использующегося для питания нагрузки, на первом вводе второй выход останется свободным, то есть резервным.
Если на первом контакте напряжение пропадает, то питание автоматически переключится на второй ввод. Если на первом опять появится нагрузка, то до ее исчезновения на втором вводе ничего не случится. Возврат в изначальное, отключенное состояние обесточенного устройства приведет к срабатыванию разомкнутого контактного элемента. Последний установлен в электроцепи запитки катушки.
Несмотря на простоту эта электросхема надежна, хотя в ней не используется механизм блокировки пускательных устройств, но его внедрение не повредит. Переключаться подача питания на другие выходы может посредством кратковременного отключения электролинии первого или второго автомата. Величина напряжения, питающего главный и дополнительный ввод, составляет 380 В. Но параметр тока катушек на пускательных устройствах составляет 220 вольт.
Основные типы шкафов и щитов АВР
Щит АВР на два ввода на контакторах (пускателях)
Установка шкафа АВР на пускателях – это самый простой способ создать резервное питание. Этот шкаф — наиболее бюджетный вариант установки АВР. Как правило, в шкафах АВР на 2 ввода используют автоматические выключатели. Они нужны для того, чтобы защитить систему от перегрузок и замыканий. Защиту от перекоса фаз и скачков напряжения осуществляет реле напряжения. Кроме этого, реле становятся «мозгом» всей системы автоматического ввода резерва.
Шкаф АВР с двумя контакторами работает по следующему принципу. Два контактора подключены к первому и второму источнику соответственно. Первый контактор замкнут, а у второго цепь разомкнута. Электричество идет через ввод № 1.

Если подача тока на первом вводе пропадет, а на втором будет нормальной, то контакты второго пускателя замкнутся, и механизм переключится на него. Как только на первом вводе напряжение восстановится – схема перейдет в первоначальное состояние.
При помощи реле здесь можно отрегулировать время задержки, с которой будет осуществляться переключение с одного источника на другой. Оптимальная задержка – от 5 до 10 секунд, она позволит обезопасить систему от ложного срабатывания АВР. Ложное срабатывание может произойти, например, в случае просадки напряжения.
Щит АВР на 2 ввода на автоматах с моторным приводом
Они лучше всего подходят для использования при номинальных токах 250-6300А. Когда ток на основном вводе пропадает, специальные электромоторы получают сигнал и взводят пружины запасного выключателя, переключая нагрузку на другой ввод.
Типовые схемы автоматического ввода резерва АВР
Схема АВР 2 в 1
Классическая схема при которой к щиту АВР подключаются 2 нагрузки на одну общую отходящу ю линию. В качестве вводных источников питания могут быть использованы две линии электропередач, идущих от разных подстанций либо комбинация Сеть+дизель-генератор или ИБП. Обязательными элементами схемы АВР 2 в 1 являются: 2 автоматических выключателя, 2 контактора с механической блокировкой или 2 моторных привода взвода пружины (если речь идет о токах более 250А), а также релейный блок управлени АВР.
Схема АВР 2 в 1 применяется для для электроснабжения потребителей 2й категории надежности.
Схема АВР 2 в 2
В этой схеме два источника питания одновременно запитывают 2 секции потребителей (у каждого ввода своя секция). Для коммутации нагрузки между секциями обычно используют секционный выключатель. Часто схема АВР 2 в 2 применяется в ГРЩ.
Схема АВР 3 в 1
Три взаимно резервированных ввода, работающие на одну секцию потребителей. Схема АВР 3 в 1 с третьим вводом от дизель-генератора является необходимым требованиям на соответствие 1й категории надежности электроснабжения. Приоритет вводов настраивается под требования проекта. В качестве коммутационных аппаратов используются 4 контактора с мех. блокировкой и защитой в виде автоматических выключателей, либо 3 автомата с моторными приводами. Схема АВР 3 в 1 может быть реализована как на реле напряжения/контроля фаз, так и на реле Zelio Logic и др.
Схема АВР 3 в 2
Два независимых ввода от сети, работают на две секции потребителей. Дополнительно, третий ввод от резервного источника подключается на первую или вторую секцию. Переключение осуществляется за счёт секционного выключателя, который управляется микропроцессорным или релейным блоком управления.
Схемы применения и подключения реле контроля фаз и напряжения РНЛ-1
Модель потребляет меньше 2 ВА. После нормализации напряжения контрольное устройство вновь включает подачу электроэнергии через период времени, указанный в заводских настройках.
Преимущества реле контроля фаз В сравнении с другими устройствами аварийных отключений данные электронные реле отличаются рядом весомых преимуществ: в сравнении с реле контроля напряжения не зависит от влияния ЭДС питающей сети, так как его работа отстраивается от тока; позволяет определять аномальные скачки не только в трехфазной сети питания, но и со стороны нагрузки, что позволяет расширить спектр защищаемых компонентов; в отличии от реле, работающих на изменение тока в электродвигателях, данное оборудование позволяет фиксировать еще и параметр напряжения, обеспечивая контроль по нескольким параметрам; способно определить дисбаланс уровней питающих напряжений из-за неравномерности загрузки отдельных линий, что чревато перегревом двигателя и снижением параметров изоляции; не требует формирования дополнительной трансформации со стороны рабочего напряжения
Сгоревшая обмотка статора мотора — можно сказать, обычное явление там, где не предусматривалось внедрение в цепь управления релейного контроля Исходя из всех описанных технических и технологических факторов, становится очевидной важность применения этого типа реле и не только для случаев эксплуатации электрических двигателей, но также для генераторов, трансформаторов и прочего электрооборудования. Если зарубежные производители маркируют по одним канонам, то отечественные — по другим

В связи с этим, необходим постоянный контроль над состоянием фаз, осуществляемый с помощью трехфазного реле контроля напряжения, установленного в сети. Так выглядит одна из моделей реле контроля напряжения.
На практике применяется для контроля наличия U и правильности симметрии. При выходе за заданные значения какой-либо из фаз, срабатывает реле, отвечающее за данный контур, а остальная нагрузка при условии нахождении в границах нужного диапазона продолжает работать. Следующие две буквы А — регулирование с помощью потенциометра и тип монтажа под дин-рейку
Обнаружение разворота фазы важно, если двигатель, работающий в обратном направлении, может повредить ведомый механизм или, что еще хуже, — нанести физический вред обслуживающему персоналу. Максимальное напряжение составляет В
Такая ситуация чаще всего возникает из-за ошибки подключения. Число производимых товаров превышает единиц.
Установка коммутирующих устройств на выход реле
Далеко не все модели предоставляют весь комплекс настроек по вышеприведенным параметрам. Установкой каждого из них в то или иное положение создается требуемая конфигурация
Важно учесть, что сфера применения изделия зависит от их типов реле контроля фаз напряжения ЕЛ : 11 и 11 МТ — защита источников питания, участие в системе АВР, питание преобразователей и генераторных установок. Если напряжение основного ввода в норме, то контакт реле KV1
Выявление фазового реверса Выполняется техническое обслуживание на моторном оборудовании.
Подключаемую нагрузку формируют равномерно на каждую из 3-х фаз. Это позволяет легко соединить реле контроля трехфазного напряжения с электрической цепью, соблюдая правила, одинаковые для всех типов этих устройств. Это устройство контролирует трехфазную сеть при обрыве одной и более фаз, неправильном чередование фаз, асимметрии напряжения или перекосе фаз. Яркий пример — компрессор винтового типа, неправильное подключение которого и включение на срок больше пяти секунд приводит к поломке дорогостоящего изделия. Принципиальная схема устройства показана ниже.
Таким образом, контроль происходит автоматически, при аварийной ситуации реле отключает нагрузку, а при восстановлении параметров сети включает напряжение трехфазной сети автоматически. К дополнительным плюсам стоит отнести контроль минимального и максимального U, функцию гистерезиса для 3-фазного тока. Это позволяет значительно увеличить их мощность. Изделия этого предприятия активно применяются как на гражданских объектах, так и в крупных промышленных организациях. Подключение и работа реле контроля фаз ЕЛ-11Е
Ручное подключение
Для реализации этого метода достаточно обычного перекидного рубильника на нужное количество полюсов и резервного генератора, подходящих мощности и напряжения.

Схема подключения генератора к сети дома через перекидной рубильник
Для того чтобы запитать дом от резервного источника, здесь достаточно лишь повернуть ручку рубильника, на оси которой находятся переключатели А и В. При этом ножи устройства сначала отключат потребителя от основного источника (сети), и лишь затем подключат его к резервному (генератору). В схеме необходимо коммутировать однофазную цепь, рубильник имеет два переключателя или, как принято говорить, полюса. Но существуют и многополюсные приборы, коммутирующие трехфазные линии.

Трехполюсные перекидные рубильник (слева) и переключатели
Первым на рисунке приведен двухпозиционный рубильник, два последних — переключатели, имеющие по три позиции. Рубильник позволяет подключить нагрузку либо к сети, либо к резервному источнику. Третьего не дано. Трехпозиционные приборы имеют третье (промежуточное) положение, в котором нагрузка уже отключена от сети, но еще не подключена к генератору.
В это время двигатели электроприборов сгорят. Будь в вашем распоряжении трехпозиционный переключатель, вы бы смогли сначала просто отключить дом от сети, потом спокойно запустить генератор, вывести его на режим, а уж затем переключиться к резервному электропитанию.
Читать также: Как разрезать зеркало в домашних условиях видео
Пример расчета уставок местного АВР в сети 10 кВ
Требуется рассчитать уставки местного АВР в сети 10 кВ. На проектируемой подстанции отсутствует двигательная нагрузка, в случае же если у Вас присутствуют двигатели с самозапуском, то согласно ПУЭ раздел 3.3.35, минимальный элемент напряжения пускового органа АВР должен быть отстроен от режимов самозапуска электродвигателей.
Расчет
1. Определяем первичное напряжение минимального реле напряжения, согласно выражения (1):
Uc.p.пер.=(0,25÷0,4)*Uном = 0,3*10000=3000 (В)
2. Определяем вторичное напряжение минимального реле напряжения:
Uc.p.втор.1= Uc.p.пер./nт=3000/100=30 (В)
где:nт=10000/100 – коэффициент трансформации трансформатора напряжения;
3. Определяем первичное напряжение максимального реле напряжения, согласно выражения (2):
Uc.p==(0,6÷0,65)*Uном = 0,6*10000=6000 (В)
4. Определяем вторичное напряжение максимального реле напряжения:
Uc.p.втор.2= Uc.p.пер./nт=6000/100=60 (В)
5. Определяем время срабатывания реле времени устройства АВР согласно выражения (3):
tс.р.АВР = t1+Δt = 1+0,3 = 1,3 (сек)
где:
- t1 — в моем случае наибольшее время срабатывания защиты присоединения шин высокого напряжения подстанции, составило 1 сек;
- Δt – ступень селективности по времени, принимается 0,3 сек, так как в качестве реле времени применяется терминал Sepam B21.
Принятые уставки:
- Uc.p.втор.1 = 30 (В)
- Uc.p.втор.2 = 60 (В)
- tс.р.АВР = 1,3 (сек)
Литература:1. Шабад М.А. Расчеты релейной защиты и автоматики распределительных сетей. 2003 г.2. Правила устройства электроустановок (ПУЭ). Седьмое издание. 2008г.
Всего наилучшего! До новых встреч на сайте Raschet.info.
Что собой представляет АВР и как он запускает резервное питание
Щит АВР (другое название – шкаф АВР) – электронное устройство, прямая задача которого ввести в действие резервный источник подачи электричества. Ввод происходит в том случае, если стационарная сеть обесточивается. Проще говоря, «выключают свет». Причиной выключения может быть, как авария на городской магистрали, так и профилактические работы или же веерное (запланированное) отключение. То есть – тока нет, включается резервная подача. Активация однократная. Важный момент – автоматическая активация не происходит, пока в стационарной сети есть ток, иначе приборы начнут получать параллельное питание.
Шкаф АВР может быть полностью автоматическим или частично (автоматика +ручной режим). Во втором случае вам придется выключать генератор самостоятельно. При этом схемы АВР автоматически переключают нагрузку на мини-электростанцию для того, чтобы она дала питание всей электросистеме в доме.
Время срабатывания автоматики разное, зависит от модели станции, как правило – несколько секунд. Для подачи напряжения подключают два (можно три) источника тока, независимых друг от друга. Перед тем, как настроить управление, подключаются приборы. В современных шкафах АВР установлена защита запасного источника, поэтому они безопасны и долговечны. Установка их производится в любом комфортном месте, в основном — на стене. Возможна в доме ( нутренний щит) или на улице – внешний шкаф.
В щитке управления АВР можно установить:
- Перекидной рубильник (дешево и просто);
- Специальный блок АВР на контакторах (дороже, но надежнее).
Выбор автоматики
Блок АВР ПромЭнерго
Промышленное оборудование и технику профессиональной категории оснащают автоматикой в стандартной комплектации. Как минимум, предлагают в составе ящик с набором контакторов для воспроизведения защитного алгоритма. В зоне доступности размещают аварийную кнопку. При необходимости рукой установку отключают одним быстрым движением.
Специализированный щит АВР можно приобрести в собранном состоянии либо создать функциональный аналог самостоятельно
При выборе готового изделия следует обратить внимание на репутацию производителя. Пригодится предварительное изучение отзывов покупателей и мнения опытных экспертов. В нижнем ценовом диапазоне представлены изделия сомнительного происхождения
Если АВР однофазный стоит до 1500-2000 р., вряд ли можно рассчитывать на длительный срок службы и высокую надежность. Подделки отличаются плохой сборкой, низким качеством контактных групп. Достаточно часто в подобных моделях используют маломощные электронные ключи, которые не приспособлены к броскам напряжения и нагрузкам с выраженными индуктивными характеристиками
В нижнем ценовом диапазоне представлены изделия сомнительного происхождения. Если АВР однофазный стоит до 1500-2000 р., вряд ли можно рассчитывать на длительный срок службы и высокую надежность. Подделки отличаются плохой сборкой, низким качеством контактных групп. Достаточно часто в подобных моделях используют маломощные электронные ключи, которые не приспособлены к броскам напряжения и нагрузкам с выраженными индуктивными характеристиками.
От 4 000 до 8 000 р. можно найти качественные АВР малоизвестных торговых марок. В надежных комплектах оборудования применяют электромеханические функциональные компоненты.
Автоматика без контроллера
Расшифровка обозначения подчеркивает главную особенность оборудования данной категории. «Автоматический» способ подключения резерва современного уровня подразумевает не только отсутствие вмешательства со стороны пользователей. Электронный контроллер обеспечивает оперативную проверку состояния питающей и резервной сети. Он блокирует выполнение ошибочных операций, препятствует возникновению потенциально опасных ситуаций. При выборе АВР следует проверить наличие в комплекте этого полезного компонента.
АВР в сетях 0,4 кВ
Для коммутации цепей питания в сетях со сравнительно небольшим напряжением (0,4 кВ) применяют серийные контакторы с магнитным приводом. Также используют пускатели в комплекте с АВ. Компоненты схемы подбирают с учетом токовых нагрузок (потребляемой мощности).
В типовые щиты АВР на 2 ввода устанавливают приборы учета электроэнергии, устройства защиты от импульсных бросков напряжения, реле с функцией задержки для создания дополнительного временного интервала перед подключением нагрузки.
Основные варианты логики функционирования АВР
Система АВР с приоритетом первого ввода
Суть работы системы АВР этого типа заключается в том, что нагрузка изначально подключается к источнику электроэнергии № 1. Когда случается перегрузка, короткое замыкание, обрыв фазы или другая аварийная ситуация, нагрузка переходит на запасной источник. Когда подача электричества на первом восстановлена до нормальных параметров, нагрузка автоматически переключается обратно.

Система АВР с приоритетом второго ввода
Логика работы та же, что и у предыдущего типа системы. Разница в том, что нагрузку подключают к вводу 2. В случае аварии напряжение переходит на ввод 1. После того, как напряжение на втором источнике будет восстановлено, напряжение автоматом переключится на него.
Промышленные системы
Промышленные системы АВР это более мощные, комплексные аппараты автоматического резервного включения. Сегодня самым крупным поставщиком такого оборудования является . Она продает АВР с секционированным и несекционированным питанием, дополнительным аварийным генератором и т.д. В качестве элементной базы используются как релейная, так и микропроцессорная схема управления.
Вам это будет интересно Особенности единиц измерения кВТ и кВА
Обратите внимание! Рассчитана такая система на обработку до 6300 ампер тока для установок до 1000 вольт. Как выглядит промышленная система. Как выглядит промышленная система

Как выглядит промышленная система
Полуавтоматический переход на другой источник
Этот метод подразумевает автоматизацию тех или иных (не всех) процессов переключения. Участие человека в таком типе переключения все равно необходимо, но сама коммутация становится намного проще и безопаснее как для человека, так и для оборудования.
Автомат переключения на резерв
Этот узел, который несложно собрать своими руками, предназначен для автоматического переключения нагрузки с основного на резервный источник при пропадании первого и наоборот. Для его реализации понадобится электромагнитный пускатель или реле, срабатывающие от 220 В и с контактами, выдерживающими ток домовых потребителей. В качестве примера взято электромагнитное реле РЭК77/3 с тремя группами переключающих контактов:

Электромагнитное реле РЭК77/3 с обмоткой 220 В / 50 Гц
Устройство выдерживает ток до 10 А, и вполне может использоваться в качестве автоматического переключателя на небольшом объекте или в частном доме. Схема же автомата будет выглядеть следующим образом:

Здесь реле исполняет роль автоматического перекидного выключателя. Одна группа контактов переключает фазу, другая — ноль, третья не используется. Обмотка реле питается от основной сети. В исходном положении в линии «Сеть» присутствует напряжение, реле включено и подает напряжение на нагрузку. При пропадании сети реле отпускает и переключает нагрузку на питание от генератора. При возобновлении электроснабжения реле К1 вновь срабатывает, и схема возвращается к питанию от основного источника.
С запуском бензогенератора
Эта конструкция в состоянии самостоятельно запустить генератор. Единственное условие — сам генератор должен иметь стартер и дистанционную систему пуска хотя бы кнопкой. Для реализации этой идеи понадобится еще одно реле и пусковой таймер произвольной конструкции:

Подключение бензогенератора к сети дома, схема с автостартом
Здесь реле К1 исполняет те же функции — переключает нагрузку при пропадании основного напряжения. Но дополнительно оно своей третьей группой контактов подает напряжение на стартер и реле времени. Реле периодически пытается завести генератор, с его запуском появляется напряжение на резервной линии. При этом срабатывает реле К2 и своими контактами отключает систему автозапуска бензогенератора.
Но и эта конструкция не является полным автоматом. Во-первых, если генератор по каким-либо причинам не запустится (холодно, плохая регулировка пуска, нет топлива и пр.), устройство будет пытаться заводить его до тех пор, пока не сожжет стартер или не посадит пусковой аккумулятор. Во-вторых, при появлении основного напряжения автоматика переключит нагрузку на него, но не заглушит генератор.
Основные выводы.
Даже самая простая схема АВР подразумевает наличие сразу нескольких компонентов. Неправильное расположение или подключение хотя бы одного из них может привести к печальным последствиям. И даже если все элементы задействованы правильно, их подключение и настройка занимают массу времени. При этом не стоит забывать и о том, что все контакторы, автоматические выключатели и прочие составляющие должны быть одного производителя! Только в этом случае можно гарантировать отлаженную и бесперебойную работу автоматического ввода резерва. В связи с этим невольно возникает вопрос — не лучше ли воспользоваться готовым модульным решением вместо того, чтобы самостоятельно пытаться собрать АВР из различных компонентов?
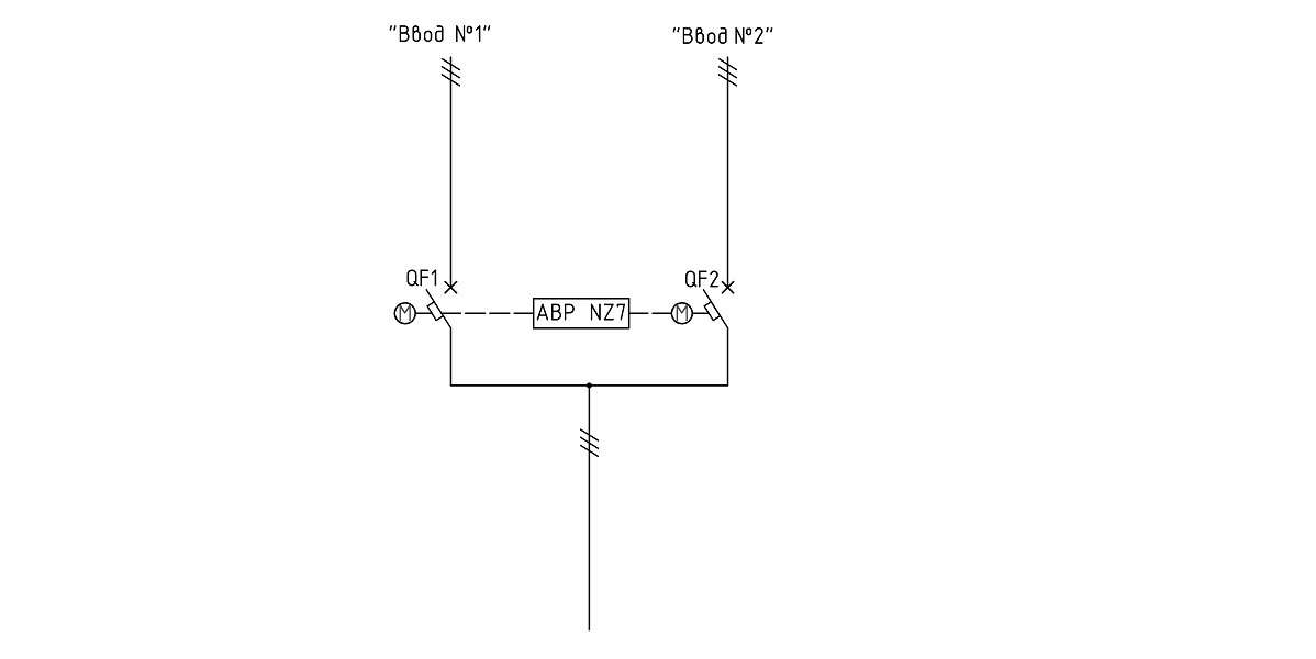
Готовое решение от CHINT – модульный АВР серии NZ7 с моторным приводом.

Специалисты CHINT уже все сделали за вас, остается только подключить два ввода и выход питания. Все до безумия просто, не правда ли?! Да, и вы сейчас сами в этом убедитесь. CHINT серии NZ7 представляет собой модульную конструкцию, от начала и до конца собранную на заводе. Это исключает сборку “кривыми руками”, все уже протестировано, настроено и полностью готово к работе. АВР от CHINT легко помещается в типовой шкаф.
Неоспоримое преимущество серии NZ7 заключается в двойной блокировке обоих вводов! Контакты прерывателей цепи обеспечивают электрическую блокировку, а моторный привод выполняет механическую блокировку. Таким образом, полностью исключается вероятность подключения к нагрузке сразу обоих источников питания. Более того, электродвигатель используется только один, а переключение вводов осуществляется его вращением вперед и назад. Это дает существенную экономию пространства, делая устройство компактным, практически бесшумным и с пониженным энергопотреблением.
Еще одной отличительной чертой АВР CHINT серии NZ7 можно назвать универсальность в выборе источника ввода. То есть питание можно осуществлять как от централизованной электрической сети, так и от любого генератора. При этом АВР от CHINT сможет самостоятельно управлять не только запуском, но и остановкой генератора. А регулировка задержки при переходе на резерв позволит избежать ложного срабатывания в случае кратковременного падения напряжения.
В общем готовый модульный АВР от CHINT позволит избежать мучительного поиска подходящей схемы АВР и длительного монтажа оборудования. Всего за полчаса автоматический ввод резерва будет смонтирован и станет обеспечивать бесперебойное снабжение электроэнергией заданного объекта. А все что для этого потребуется – просто подключить вводы и вывод!

Предыдущая
РазноеДелаем токопроводящий клей из подручных материалов
Следующая
РазноеЧто такое фаза в электричестве?





























