Конструкция прибора Кварц: функциональность и основные технические характеристики
Девайс монтируется на стену, и так как вся его начинка находится в пластиковой коробке, эта коробка имеет приятный внешний вид и удобные габариты для настенного крепежа. Определенно интерьер жилого помещения или офиса не пострадает от установки прибора.
Для удобного и быстрого монтирования на стену на обратной стороне девайса находятся отверстия для крепежа и специальные перфорированные области, которые при надобности удаляются и используются для присоединения электропроводки, проводников от сигнализационных оповещательных устройств.
На внешней панели находятся электроэлементы и колодки для ввода датчиков, кабелей электрической сети и считывателя электронных паролей ТМ. Здесь же вмонтированы предохранитель и тапмер, контролирующий съемку корпуса девайса. Включать и отключать прибор удобно магнитным электронным ключом, который говорит об отключении и подключении при помощи устройства инфракрасной подсветки.
В верхней части внешней панели размещены светодиодные индикаторы, надписи вверху и внизу индикаторов сообщают информацию о текущей настройке девайса. На плате «Кварца» находится специальный разъем. Его необходимо замкнуть джамперами, чтобы установить определенную настройку функционирования прибора. Чтобы присоединить к устройству другие приборы следует снять крышку.
Функционировать «Кварц» способен в нескольких режимах.
Если включена пожарно-охранная сигнализация, переключать прибор из одной рабочей настройки в другую можно с использованием электронных ключей Тouch Мemory. Отключение цепи ПЦН2 происходит при разрыве линии, и тогда обеспечивается непрерывный звуковой сигнал. А при появлении пожара размыкается цепь ПЦН1, в этом случае сирена звучит с интервалами.
Прибор имеет четыре настройки: централизованная охрана 1, 2, 3 и пожарная охрана. Режим можно выбрать, используя соединения на плате устройства.
«Централизованная охрана 1» ставит прибор в рабочее положение. После включения в этот режим интервал в две минуты дает время покинуть охраняемое помещение, закрыв за собой двери. Чтобы снять помещение с сигнализации после открытия дверей у вас будет только 10 секунд.
«Централизованная охрана 2» посылает тревожный сигнал по двум линиям.
Режим ведомственная охрана выдает звуковые сигналы: один короткий, выдаваемый при включении охраны и два прерывистых при отключении охраны.
Сигнал режима «Тревога» будет звучать 3 минуты.
К устройству возможно присоединить звуковой извещатель — сирену мощностью 12 В или звонок, который будет подключен к сети в 220 В.
Светодиодные индикаторы информируют о состоянии или настройке устройства сигнализации, а также о заряде аккумулятора. Индикатор не будет гореть, если шлейф снят с охраны, при отсутствии поломок индикатор подсвечивается зеленым.
При поломке или низком заряде аккумулятора индикатор мигает зеленым.
Оповещение «Пожар-Тревога» говорит, что девайс снят с охраны или находится в нормальном рабочем положении – индикатор не горит.
При срабатывании пожарной тревоги соответствующий индикатор будет светиться красным. При несанкционированном проникновении на охраняемую территорию индикатор подаст сигнал в виде мигающего красного.

Назначение
Адресно-аналоговый прибор приемно-контрольный предназначен для включения в структурные схемы сигнализации объектов средней и большой величины по основным строительным параметрам – объему, общей площади, количества зданий на территории предприятия, организации, где использование множества автономных приемно-контрольных приборов нецелесообразно как с организационно-технической точки зрения, так и по экономическим расчетам.
В то же время адресные централизованные приемно-контрольные приборы практически идеально подходят для проектирования разветвленных систем сигнализации, создания структурной схемы защиты объекта с выводом всей текущей информации на компьютеризированное рабочее место в помещение пожарного поста, пульта централизованного наблюдения; диспетчерской предприятия, организации.
СП 5.13130.2009 определяет задачи при выборе приемно-контрольной аппаратуры, тепловых, газовых, комбинированных пожарных извещателей; датчиков дыма, которые в составе установок пожарной автоматики являются частью автоматической противопожарной защиты объектов:
- Первоочередное обеспечение безопасности людей.
- Сохранение материальных ценностей.
- Минимизация возможного ущерба.
Только адресная приемно-контрольная аппаратура в полной мере отвечает этим требованиям к техническим средствам обнаружения очагов возгораний, формирования сигналов управления:
- Для включения элементов СОУЭ – световых табло, указателей движения, звуковых пожарных извещателей, оборудования речевого оповещения, что обеспечивает безопасную эвакуацию людей до полного задымления помещений, эвакуационных путей, выходов; опасного повышения температуры в зданиях.
- Для оперативного пуска стационарных систем пожаротушения, что позволяет если не ликвидировать очаг возгорания, то локализовать его до прибытия пожарных подразделений.
- Для включения оборудования систем противодымной защиты – клапанов, люков дымоудаления, противопожарных фрамуг, зенитных фонарей дымоудаления; а также противопожарных, огнезадерживающих клапанов общеобменных вентиляционных систем зданий.
- Для включения насосных станций пожаротушения, входящих в состав внутреннего, наружного противопожарного водоснабжения объектов защиты.
Кроме того, адресная аппаратура, в том числе радиоканальные приемно-контрольные приборы, обеспечивают требуемый противопожарными нормами автоматический контроль работоспособности устройств, включенных в их шлейфы сигнализации о пожаре.
Кварц 1
Стоимость: 2100 рублей
Назначение
Пожарная сигнализация Кварц, вариант 1 используется для обеспечения охраны и защиты от возгораний на объектах небольшой и средней площади. Используется на объектах различного назначения – коммерческих, жилых, промышленных, административных.
Особенности устройства
- Прибор оснащается 1 шлейфом;
- Устройство оборудовано токопотребляющими и электроконтактными извещателями;
- Передача извещений осуществляется по 2 каналам;
- Выключатель и электронные ключи позволяют поставить устройство на охрану или снять с нее;
- Корпус выполнен из специального прочного пластика;
- При помощи светодиодных индикаторов прибор оповещает о неисправности, пожаре, дает информацию о состоянии шлейфа, сети и резерва – пользователь получает полную информацию о питании прибора, наличии неполадок, наличии напряжения в сети.
Преимущества модели
- Компактные параметры;
- Современный лаконичный дизайн;
- Привлекательная стоимость;
- Простой монтаж;
- Доступная эксплуатация;
- Функциональность и надежность и выполнении своих основных задач.
Технические особенности
- Устройство имеет один шлейф и 4 тактики работы;
- Если в сети пропадает напряжении, устройство обеспечивает охрану на протяжении периода работы аккумулятора;
- Тип выходов для включения извещателей – «открытый коллектор»;
- В наличии звуковой сигнализатор;
- Для постановки на сигнализацию используются функции Touch Memory, специальный выключатель, опция «Портал»;
- Прибор оснащен опцией «Автовозврат»;
- Имеются независимые отключаемый и не отключаемый выходы;
- Функция защиты аккумулятора от глубокого разряда;
- Если питание полностью отключается, устройство запоминает, в каком состоянии находилось ШС.
Дополнительные детали системы
- Считыватели ключей Touch Memory
- Датчики разбития стекла
- Магнитоконтактные датчики
- Датчики движения
- Комбинированные оповещатели (свет и звук)
- Ручные извещатели
- Тепловые извещатели
- Дымовые извещатели
- Датчики движения
- Магнитоконтактные датчики
- Датчики разбития стекла
- Ключи и брелоки
- Преобразователь кода
- Универсальные считыватели «Портал»
- Комбинированные оповещатели (свет и звук)
- Световые оповещатели
Субъективная оценка о рекомендации
Прибор успешно используется на объектах небольшой площади, не рекомендуется использовать на масштабных площадях, для больших производственных объектов.
Сравнение общестроительных смет по ОПС с ПИР
Здравствуйте уважаемые посетители и подписчика блога, в этой статье мы рассмотрим тему составление смет по Системам Безопасности разберем вообще как составляются сметы, в какой программе и по каким сборникам.
Узнаем как же нам составить смету в нашем случае.
Мы с Вами разберем сметы по системам:
- Охранно-пожарной сигнализации ОПС
- Автоматического водяного пожаротушения АПТ
- Газового пожаротушения АГПТ
- Порошкового пожаротушения ПТ
Отдельно разберем составление сметы на проектные работы по системе оповещения и управления эвакуацией людей при пожаре.
Начнем с самого простого — это смета на проектные работы по системам охранно-пожарной сигнализации.
А для сравнения вначале разберем общестроительную смету, выполненную в Гранде.
На мониторе перед вами смета выполненная в профессиональной программе Гранд смета инженером-сметчиком по общестроительным работам по пожаротушению.
Что мы видим на экране.
На первый взгляд, кучу каких-то непонятных цифр и надписей.
Если взглянуть повнимательней, то в шапке локального сметного расчета мы увидим строки с наименованием сметный расчет по:
- строительным работам
- монтажным работам
- средства на оплату труда
- общая смета трудоемкости
Напротив наименований видим, что уже есть какая-то сумма, выведены какие-то цифры.
Если пройдем ниже по документу, о увидим что смета разделена на разделы.
Раздел 1. Монтажные работы.
- Столбец 1 указывается номер по порядку.
- В столбце 2 указывается обоснование в ТЕР, (может указывается обоснование в ФЕР).
- Столбец 3 наименование выполненных работ, которые есть в перечне указанных обоснований ТЕР или ФЕР.
- Столбец 4 единицы измерений ( могут быть в штуках или например в метрах).
- Столбец 5 количество (сколько всего учтено проектом).
Далее столбцы — это стоимость по относительно примененным обоснованиям.
Все это набивается в графическом интерфейсе профессиональной платной программе Гранд-смета,
а далее выводиться в формат эксель для предоставления Заказчику на согласование, а затем идет в работу или в производство.
Проектные работы также можно посчитать в программе Гранд-смета,
но учитывая дороговизну лицензии и за ненадобностью использовать программу для расчета проектных работ каждый день, то мы поступим по-другому, и составим сами смету на проектные работы.
Если же вы работаете на зарплату, то все равно, вам необходимо будет выдать ТЗ сметчику для расчетов и указать:
- — какая система будет применяться на объекте
- — какие дополнительно будут работы
- — какая площадь защищаемого объекта
- — и.т.д
После того, как вы выдадите ТЗ, сметчик включит ваш расчет в общую локальную смету,
но это произойдет в том случае, если ваша организация договорилась выставить стоимость проектных работ отдельной статьей в локальный расчет.
Иногда монтажная организация просто бонусом проектирует объект за свой счет и платит зарплату проектировщику с общего объема объекта.
Но мы будем рассматривать случай, когда вы являетесь фрилансером специалистом которого наняли по Договору подряда.
Или же вы выполняете работы по договору самозанятого, и вы не можете сориентироваться какую сумму запросить, так чтоб работа не была ради работы, и в то же время как говорят без фанатизма.
Другими словами необходимо найти ту Золотую середину и дать развернутое обоснование за предстоящую выполненную работу,
что бы уже на этапе подачи КП (а это как раз и будет КП) у Заказчика возникло понимание, что вы являетесь профессионалом в своем деле.
Почему у него возникнет такое мнение спросите вы?
https://fireflyer.ru
Потому что, когда он будет проверять вашу смету, Заказчик сразу поймет на что он “влип” и что по нормативке, что необходимо необходимо установить на объекте.
От того насколько ясно и коротко вы ему об этом донесете, настолько будет выглядеть ваш профессиональный подход.
И вам лишь останется предложить услугу по закрытию этих вопросов.
Давайте не будем кривить душой а прямо скажем, что предприниматели не очень радует перспектива вложить в безопасность повышенный % финансирования от общего объема СМР объекта.
Но для нас, чем больше будет вложено финансов в безопасность на объекте, тем безопаснее будет эксплуатация объекта и персонал и посетители будут в большей степени защищены от внезапного фактора пожара.
Все начинается на этапе подачи КП.
Есть такая пословица у проектировщиков:
“Сэкономил на проекте, разорился на объекте”
Подготовка к работе 5
Проверьте правильность произведённого монтажа и проведите проверку работоспособности прибора с питанием от сети переменного тока в следующей последовательности:
· приведите в дежурное состояние ШС путём закрывания дверей, окон, фрамуг и т. п.;
· поставьте прибор на охрану электронным ключом;
· если световой индикатор “Охрана-Неисправность” и оповещатель светятся ровным светом, то ШС исправен, если световой индикатор “Пожар-Тревога” и оповещатель “мигают”, ШС неисправен;
· исправьте ШС и повторите постановку на охрану. Постановка/снятие с охраны прибора не должны вызывать включения звукового оповещателя, независимо от состояния ШС;
· снимите прибор с охраны, коснувшись порта электронным ключом, при этом должны погаснуть световой оповещатель и световые индикаторы. Произведите нарушение ШС – откройте входную дверь и оставьте её в открытом состоянии. Поставьте прибор на охрану, при этом световой оповещатель и индикатор “Пожар-Тревога” должны “мигать”. Звуковой оповещатель работать не должен. Закройте входную дверь, при этом световой оповещатель должен светится непрерывно, а индикатор “Пожар-Тревога” должен погаснуть. Спустя три минуты откройте входную дверь. Световой оповещатель и индикатор “Пожар-Тревога” должны перейти в “мигающий” тревожный режим свечения, включиться звуковой оповещатель на 3 минуты. Закройте входную дверь, характер сигнализации тревоги не должен измениться. Снимите прибор с охраны при помощи электронного ключа;
· проверьте способность прибора фиксировать срабатывание каждого извещателя включенного в ШС;
· в случае использования прибора в качестве пожарного убедитесь в способности прибора различать срабатывание одного, двух извещателей от неисправности шлейфа. Для этого произведите принудительное срабатывание пожарных извещателей;
· путем отключения прибора от сети 220 В убедитесь в работоспособности прибора при питании от встроенного аккумулятора;
· проверьте способность прибора работать с пультом централизованного наблюдения.
Рубикон.
Самодостаточная подсистема системы ИСБ ИНДИГИРКА, возможности которой впечатляют, что видно из структурных схем.
Структурные схемы в большом разрешении:
Мы не будем разбираться — чем отличаются центральные процессорные блоки друг от друга в адресной подсистеме для промышленных объектов ИСБ-Р-08, отметив только что разброс цен на них: 10000-133000.
Презентация АСБ Рубикон 2019.
Приемо-контрольных приборов в линейке оборудования несколько.
Рассмотрим самый простой вариант на основе приемо-контрольного прибора ППК-М. Это будет система, аналогичная знакомым нам.
Аналогом С2000М является ППК-М, в том смысле, что есть клавиатура и дисплей. Плюс есть еще возможность подключать АЛС, как в «Рубеж-2ОП».
Число АУ в АЛС ППК-М — 255 в топологии «кольцо» и 510 в топологии «два луча». Произвольная топология АЛС. По интерфейсу RS-485 можно подключить до восьми сетевых контроллеров АЛС КА2, емкостью 255/510 АУ.
По RS-485 предусмотрено подключение к ППК-М до 31 сетевых устройств: сетевой контроллеров шлейфов сигнализации СКШС, сетевой контроллеров исполнительных устройств СКИУ, контроллера доступа КД2, пульта управления объектового ПУО, сетевого контроллера управления пожаротушением СКУП и т.д.
Особенность ППК Рубикон — распределение управляемых устройств по задаваемым областям (комната, этаж и т.д.) с возможностью иерархии, т.е. объединения нескольких областей в новую область уровнем выше.
| ППК-М Центральный контроллер. | 11150 |
| ППК-Е Центральный контроллер. | 7650 |
| ПУО-03 Пульт управления. | 9945 |
| КА2 Контроллер АЛС. 255 АУ (кольцо) или 510 АУ (два луча). | 3440 |
| СКИУ06 Исполнительных выходов 6 + шлейфов 4. Работает и в сети RS485 и в АЛС. | 2525 |
| СКИУ4 Исполнительных реле (Form C, 250В, 2А) 4 + корпус | 8000 |
| СКШС-03-8 Расширитель 8 оптоизолированных технологических шлейфов. | 8500 |
| СКШС-01-16 Расширитель 16 шлейфов сигнализации датчиков с нр-контактами. | 2417 |
| БИУ Блок индикации и управления. | 11250 |
| ИР-П Адресный ручной извещатель | 884 |
| А3ДПИ Дымовой пожарный извещатель + база. | 550 + 107 |
| МПТ10 Адресный модуль управления пожаротушением на 10 выходов | 3611 |
| ИСМ220 ИСП.4 Адресный исполнительный модуль с контролем цепей нагрузки. | 2930 |
| ИСМ220 Адресный исполнительный модуль одноканальный с контролем цепи и 2-мя шлейфами. | 1599 |
| ИСМ 5 Модуль управления адресный 2 выхода 2.6А с контролем целостности. | 1576 |
| АР1 Адресный расширитель на один шлейф. | 513 |
| АР5 Адресный расширитель на 5 шлейфов. | 1048 |
Контроллер ППК-Е интереснее, чем ППК-М наличием Ip-коммуникатора, но не имеет индикации и клавиатуры — просто плата. Для управления необходим ПУО-03, который выглядит как ППК-М, но не является контроллером.
Конфигурирование ППК-Е выполняется с ПК по интерфейсу RS-485 (с помощью адаптеров RS-485/USB или RS-485/RS-232), либо по IP-протоколу (Ethernet).
Доступны несколько вариантов: с помощью утилиты Рубикон конфигуратор, либо платформы безопасности Интеллект, а также через web-интерфейс в браузере.
АРМ «Интеллект», похоже, бесплатный.
Заслуживает внимание адресный модуль управления пожаротушением МПТ10 на 10 выходов. Вот цитаты из руководства по эксплуатации:
Вот цитаты из руководства по эксплуатации:
Это что получается — модуль пожаротушения может, пусть даже и не стабильно, питаться только от адресной линии?!!
Как видим, Рубикон — очень перспективная система, которая по ценам и функционалу не уступает Болид и Рубеж. И почему нигде не встречал применение этой адресной системы?
Устройство и принцип работы пожарной сигнализации
Чтобы разобраться, как работает пожарная сигнализация, нужно рассмотреть какие элементы входят в ее состав. Стандартный набор пожарно-охранного комплекса включает в свой состав:
- специальные датчики в виде извещателей, которые могут передавать сигнал на центральный пульт управления;
- каналы передачи данных от извещателей к электронному блоку – они могут быть как проводными, так и радиоканалами;
- электронных модулей, которыми управляется пожарная сигнализация – принцип их работы основан на приеме и обработке сигналов от датчиков с последующей отправкой тревожных сигналов на пульты пожарной службы.
Работа сигнализации заключается в непрерывном считывании информации с пожарных извещателей, которые располагаются в нескольких зонах помещения. При выявлении одного из факторов начала пожара – рост температуры, появление дыма или огня, произойдет срабатывание одного или нескольких извещателей, которые передадут сигнал на центральный пульт сигнализации. Он, в свою очередь, осуществит передачу сигнала тревоги на пульт пожарной службы, а также на мобильные устройства владельцев охраняемой недвижимости.
Схема работы пожарной сигнализации
На что срабатывает пожарная сигнализация?
Чтобы гарантировать высокий уровень безопасности на объекте, нужно знать на что срабатывает пожарная сигнализация и, исходя из этого, располагать требуемые датчики-извещатели.
На что срабатывает пожарная сигнализация
В зависимости от используемого сенсора и конструкционного решения извещателя он может реагировать:
- на наличие дыма в помещении;
- на повышение температуры воздуха выше граничного значения;
- на электромагнитные волны в инфракрасном, ультрафиолетовом или оптическом диапазоне.
Компоненты, которые входят в пожарную сигнализацию
Принцип работы пожарной сигнализации в квартире или на другом объекте основан на использовании специальных извещателей, которыми владеет любая противопожарная сигнализация – как работает каждый из компонентов сигнализации будет рассмотрено ниже.
Датчики определения наличия дыма
Функционирование таких извещателей основано на срабатывании оптической системы при попадании дыма в рабочую область датчика. В состав функциональной схемы входит светодиод, генерирующий направленный луч света, а также фотоэлемент. При появлении дыма, свет от светодиода рассеивается и попадает на фотоэлемент, что приводит к генерированию в нем тока и срабатыванию датчика.
Датчик дыма для пожарной сигнализации
Тепловые извещатели
Рост температуры является одним из факторов, на что реагирует пожарная сигнализация. Внутри датчика располагаются специальные контакты, которые в разведенном состоянии удерживаются с помощью элементов из сплава Вуда. При увеличении температуры выше 68 ºС происходит расплавление этого сплава, что приводит к замыканию пружинных контактов.
Тепловой извещатель для сигнализации
Интегральные извещатели
Это еще один тип пожарных датчиков, которые позволяют разобраться, как устроена пожарная сигнализация. В конструкции такого типа извещателей имеются специальные металлические элементы, сопротивление которых возрастает при увеличении температуры. Вследствие этого изменяется и величина тока, проходящего в функциональной схеме датчика, что приводит к его срабатыванию.
Извещатели пламени
Устройство охранно пожарной сигнализации предусматривает возможность использования еще одного типа извещателей – реагирующих на открытое пламя или на тлеющие очаги. Этот тип датчиков позволяет фиксировать один из спектров электромагнитных волн, которые возникают при появлении пламени в помещении.
Извещатели пламени
Все перечисленные извещатели связаны с электронными блоками сигнализации, на которые они передают тревожный сигнал при срабатывании. Для этого используется проводной или радиоканал. После получения сигнала от датчика электронным блоком будет передана информация на пожарные пульты соответствующих служб.
Заключение
Благодаря широкому спектру различных извещателей состав и устройство пожарной сигнализации может варьироваться, позволяя создавать охранные конфигурации, которые наиболее оптимально будут подходить под конкретный объект. Различные функциональные возможности датчиков позволяют выявлять возгорание на самой начальной стадии, что позволяет своевременно среагировать и предупредить большую беду.
Правила установки
По инструкции монтаж пожарной сигнализации запрещено проводить самостоятельно. Этим занимается специализированная организация по данным проектной документации. Вся процедура предполагает несколько этапов:
- подготовка проектной документации;
- подбор оборудования согласно типу ПС;
- прокладка кабелей;
- подсоединение датчиков;
- настройка и запуск системы.
Комплекс ПС включает в себя датчики, приборы оповещения, приемно-контрольный пункт, источник автономного питания. Принцип работы состоит в отслеживании изменений в помещении и передаче сигнала на контрольный пункт. После тревоги ПКП включает прибор оповещения с одновременной передачей данных в МЧС.
На подготовительном этапе монтажа проводят предпроектное обследование объекта с целью выбора оптимальной структуры ПС. По полученным данным составляют техническое задание, которое согласовывают с заказчиком, после чего переходят к непосредственной установке.
Важный этап – прокладка кабелей и шлейфов. Именно эта часть системы должна быть устойчива к воздействию на нее открытого пламени. Для шлейфов подбирают кабеля типа КПС:
- НГ – без распространения горения при групповой прокладке;
- LS – с низким уровнем выделения дыма;
- HF – без галогенов;
- LTx – низкой токсичности;
- FR – повышенной огнестойкости.
Прокладку кабелей проводят по правилам:
- от уровня пола – 2,2 м;
- минимальное расстояние до потолочного перекрытия – 0,1 м;
- высота от пола при условии размещения слаботочных линий в защитных коробах – менее 2,2 м;
- расстояние между шлейфами и электролинией – 0,5 м;
- при пересечении слаботочного провода и энергокабеля провода защищают трубкой из полихлорвинила, на 0,5 см в каждую сторону;
- крепление клипсами делают через каждые 25 см по горизонтали и через каждые 35 см по вертикали.
Приемно-контрольный пункт устанавливается в отдельном помещении. Высота при этом произвольная. Если зона расположения ПКП открыта для свободного посещения персоналом, то устройство монтируется в специальном защитном запирающемся шкафу. В отдельном боксе размещают ПКП в помещениях с высоким уровнем запыленности и влажности. Шкаф при этом обязательно делают из негорючих материалов.
При проектировании системы АПС учитывают требование по количеству извещателей. Минимально их должно быть два, конкретное же количество рассчитывается, исходя из особенностей объекта. Дымовые и тепловые извещатели ставят на потолках. На стенах или колоннах их допустимо размещать при условии использования подвесных верхних конструкций. Расстояние до перекрытия при этом варьируется в пределах 0,1-0,3 м. Если на потолке образуются ниши, то тепловые датчики ставят в каждую из них. Установка устройств ручного типа – возле основного выхода из помещения на высоте 1,5 м от пола.
В большинстве случаев монтаж пожарной сигнализации проходит по типовым проектам. Иногда создается индивидуальное техзадание, при этом учитывается гибкость базового проекта и совместимость оборудования.
Централизованная охрана 1 7
Перед постановкой прибора на охрану закройте все двери, окна, форточки, на которых установлены извещатели.
Коснитесь порта электронным ключом. При этом прибор перейдет в режим постановки на охрану на время действия 2-х минутной задержки. В этом режиме ШС может многократно нарушаться. Индикаторы “Охрана-Неисправность”, “Пожар-Тревога”, контакты реле ПЦН1 и внешний световой оповещатель отражают состояние ШС. Если индикатор “Охрана-Неисправность” светится зеленым и лампа горит непрерывно, то ШС исправен. В противном случае устраните нарушение ШС, либо дождитесь выхода на рабочий режим активных извещателей.
При входе в охраняемое помещение звуковой оповещатель включается с задержкой 10 секунд. В этом режиме выходные контакты реле ОПВ (ОПВ1 и ОПВ2) замыкаются на время работы звукового оповещателя, т. е. дублируют его работу. В этом случае реле ОПВ можно использовать для коммутации внешнего сетевого звукового оповещателя.
Электронным ключом переведите прибор в режим снятия с охраны. При этом индикаторы “Охрана-Неисправность”, “Пожар-Тревога”, и внешние оповещатели выключаются.
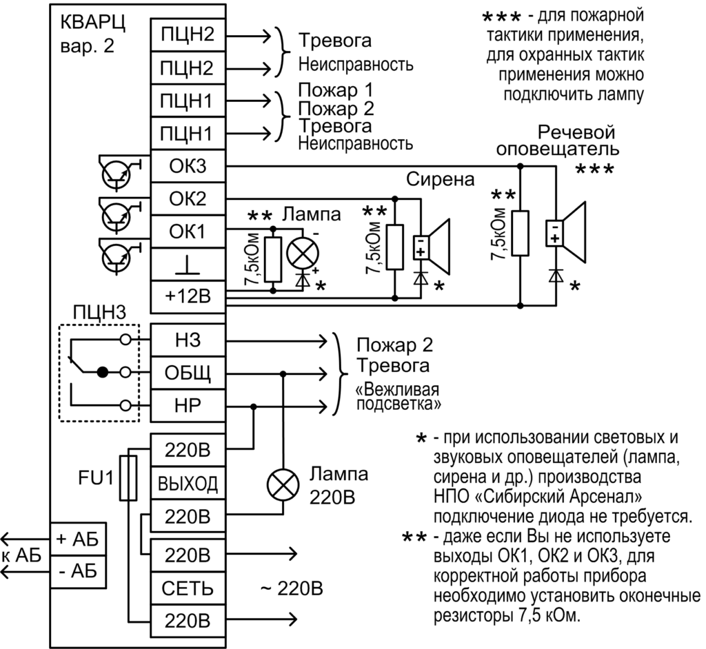
Кварц 2
Стоимость: 2000-2100 рублей
Назначение
Охранная сигнализация Кварц 2 – устройство для обеспечения охранной функции на объектах различного назначения. Рекомендуется использовать прибор для объектов средней и малой площади.
Особенности устройства
- Устройство оснащено 1 шлейфом;
- Прибор выполняет функции охранного и пожарного – оповещения о наличии угрозы он посылает на централизованный пульт управления;
- Специальные электронные ключи позволяют поставить объект на охрану;
- Для создания прочного корпуса используется специальный высокопрочный пластик ABS.
Преимущества модели
- Эргономичность и простота эксплуатации;
- Надежность и безопасность работы устройства;
- Современный дизайн;
- Функциональность и соответствие всем стандартам качества.
Технические особенности
- Устройство оснащено одним шлейфом;
- 6 тактик использования;
- Передает такие данные: Пожар 1, Пожар 2, Тревога, Неисправность, Норма, Вскрытие, и показывает состояние активности охраны;
- Встроены звуковые и световые сигналы;
- Опция «Круглосуточность» обеспечивает постоянную охрану;
- Предусмотрена возможность работы от аккумулятора и защита от глубокой разрядки.
Субъективная оценка о рекомендации
Рекомендуется для небольших объектов административного, коммерческого назначения. Кварц — охранная сигнализация, которая позволит по доступной цене решить проблему качественной защиты от несанкционированного вторжения и пожара.





























