Технические характеристики
В качестве примера рассмотрим данные стандартного прибора
- питание прибора осуществляется от стандартной сети напряжением 220 вольт;
- допустимая суммарная мощность подключаемых приборов составляет 300 ватт;
- диапазон регулировки звукового сигнала в пределах 30–150 децибел;
- рабочие температуры в пределах от 20 градусов мороза до 40 градусов тепла;
- защита корпуса класса IP-30.
В сети нагрузки могут быть использованы различные светильники:
- Серийные лампы накаливания или галогенные.
- Люминесцентные или энергосберегающие лампы.
- Светильники и лампы светодиодные.
Такие характеристики позволяют использовать прибор в рамках требований федерального закона №261, касающийся рационального использования электроэнергии.
Размеры устройства сравнимы с размерами коробка для спичек, что позволяет удобно разместить его в непосредственной близости от светильника. Закрепить к любой поверхности можно используя двухсторонний скотч или установить на самонарезающие винты.
Габаритные размеры прибора «Экосвет Х-300-Л»
Ошибки при подключении
Основной проблемой при монтаже всегда остается не учет мощности потребителей. У большинства сенсорных выключателей света максимальная проходная нагрузка ограничена до 1 кВт. Превышать ее ни в коем случае не следует. В своем большинстве устройства такого типа не содержат предохранительные элементы, блокирующие излишнюю нагрузку. Отсюда и их относительная пожароопасность при превышении максимума.
Еще одной, относительно частой ошибкой при монтаже сенсорных выключателей света или энергии на 220В служит неверное подключение контактных групп. К примеру, не раз было замечено, что ноль сети электропитания пытаются разделять управляющим устройством, вместо фазы. Конечно, это создает существенные проблемы в его функционировании, оно становится попросту невозможным.
Практикуемое соединение фазы и COM порта для конечных устройств смысла особого не имеет. Все же предназначение у него иное — осуществлять связь с другими коммутаторами или проходными выключателями.

Как собрать?

Чтобы изготовить чудо-техники самостоятельно, необходимы навыки и знания:
- по чтению простейших электрических схем;
- опыт работы с паяльником;
- умение разбираться в электрорадиодеталях;
- практика в изготовлении печатных плат.
Выключатель будет функционировать от напряжения 9 вольт. В качестве источника питания подойдёт прямоугольная батарейка, но её можно заменить аккумулятором. При использовании понижающего трансформатора или DC–DC преобразователя можно работать от сети 220 Вт.
Совет
Если нет навыков или квалификации, лучше не пытаться сделать его самостоятельно. Для таких людей предусмотрен огромный выбор готовых вариантов.
Список деталей
Резисторы:
- R1– 10К;
- R2– 1M;
- R3– 22К;
- R5– 2К;
- R6– 1,8К;
- R7– 330 Ом;
- R8– 1,5K.
Транзисторы:
- VT1– KT315;
- VT2– RT315;
- V3– 3107 (DC557).
Конденсаторы:
- С1– 2200 пФ;
- C2– 1 мкФ*10В.
Диод — VD1– 1N.
Разное:
- M1- микросхема электрическая;
- HL1– светодиод или реле;
- контактная колодка.
Внимание
Если в качестве нагрузки будет использоваться реле, то резистор R8 необходимо поменять на 2 Ом.
Печатная плата
Заготовка небольших размеров, предназначена для DIP компонентов. Подбор корпуса времени много не займёт. Процесс изготовления непростой, занимает не один час. Информации по этому вопросу в интернете достаточно. Проектирование выполняют в программе Spirint-layout 6.0. Изготовленная плата изображена на фото 1.

Обработайте дорожки оловом. Оно защитит поверхность от окисления.
Пример произведённого покрытия — на фото 2.

Умные выключатели в квартиру с ремонтом
Основной трудностью установки умных выключателей в квартире, где ремонт давно сделан, является то, что розетки с выключателями хочется оставить в одном стиле. Поэтому просто вынуть один выключатель и на его место поставить другой не всегда получится.
Здесь вам на помощь придет решение от компании GRITT Electric, которая предлагает модифицированные выключатели с функцией управления со смартфона и умных колонок с Алисой для всех популярных серий Legrand, Schneider Electric и других производителей.
Такой выключатель устанавливается в стандартную рамку вашей линейки розеток и выключателей и ничем не выделяется. Для примера возьмем одну из самых распространенных серий Legrand Valena и расскажем о них подробнее. Для других серий и производителей решение будет выглядеть аналогичным образом.
Замена старого выключателя на умный выключатель
Итак, у вас стоит Legrand Valena и вы решили добавить функцию управления со смартфона, Яндекс.Станции и голосового помощника Алисы. Решение будет следующим.
Первый шаг будет аналогичен установке ультратонких выключателей — это подключение светильников через радиореле с WiFi, который был описан выше.
Следующим шагом будет замена выключателей. Вы снимаете старый выключатель и соединяете провода, которые он размыкал с помощь быстрозажимного клеммника.
На место старого выключателя устанавливаете новый — умный выключатель. Этот выключатель не нуждается в проводах. На него установлен радиомодуль, который при нажатии на клавишу передает команду на включение или отключение света. Радиореле получает команду и включает или отключает светильник.

Теперь вы можете включать свет выключателем и отключать со смартфона и наоборот. Приятный бонус — вы можете обавить до 8-и проходных выключатлей без прокладки проводки и подключить пульт.
Купить умные выключатели Legrand >>
С микроконтроллером
Микроконтроллер — это маленький кусочек кремния, покрытый пластиком и имеющий металлические выводы, который не выполняет никаких функций без программного обеспечения. Применение его в любой техничке делает её умной и предполагает использование в системе «Умный дом».
Отличие от стандартного звукового выключателя:
- уменьшенное время срабатывания до 100 микросекунд;
- возможности перепрограммирования, установки индивидуальных параметров;
- увеличенный радиус действия;
- возможность изменения порогового значения сигнала (для устранения помех и исключения реагирования на ложные команды);
- плавное изменение яркости освещения;
- меньшее количество составных частей;
- защита от замыкания.
https://youtube.com/watch?v=H3qfd1tRF74
Плюсы и минусы

Важнейшим преимуществом звукового переключателя перед классическими является простота и удобство использования. Пользователю не нужно думать, куда установить выключатель.
- работают с любыми электроприборами или источниками света;
- возможность включить и выключить бытовой прибор или свет, находясь в любой точке комнаты;
- отсутствие лишних проводов;
- надежность и длительный срок службы;
- бесшумность;
- безопасность.
- Современные датчики умеют распознавать звук, который нужен для включения и выключения. Пользователю нужно точно знать, на какой именно сигнал отреагирует сенсор.
- Зона чувствительности ограничена. В большой по площади комнате придется хлопать громко или подходить ближе к сенсору. Если увеличить чувствительность, датчик может ложно среагировать на аналогичные звуки.
Ночник «Небо звездное»
Для того чтобы сделать ночник своими руками, вам понадобится только подручный материал, который найдется в каждой квартире. Одним из преимуществ данного светильника будет то, что он не требует подключения к сети. Вы сможете наслаждаться звездным небом не выходя из дома благодаря маленькому фонарику, работающему от мизинчиковых батареек.
Итак, вам понадобится: стеклянная банка с завинчивающейся крышкой, плотная фольга, шило, ножницы, поднос (или любая твердая поверхность, которая не боится царапин), небольшой фонарик.
Шаг 1. Берем лист фольги и рисуем на нем схему звездного неба. Если желаете точную копию, то придется потрудиться. Можно сделать это схематически, по памяти.
Шаг 2. Кладем лист с нарисованной схемой на твердую поверхность и при помощи шила делаем дырочки. Это и будут наши звезды.
Шаг 3. Отрезаем все лишнее от фольги. Высота листа должна быть равна высоте банки. Аккуратно сворачиваем лист трубочкой и вставляем в подготовленную банку.
Шаг 4. На дно банки укладываем фонарик и включаем его.
Остается только дождаться ночи и наслаждаться картиной звездного неба.
Ночник для ребенка
Создавая светильник для детской комнаты в домашних условиях, важнее всего максимально проявить фантазию. Кроме того, вы можете подключить малыша к созданию ночника и совместить приятное с полезным.
Подготовьте для светильника шар из стекла или сферический плафон. Вам также понадобится большое количество тюля или фатина, клей и несколько фонариков, а лучше гирлянда для елки.
- Вырежьте из ткани большое число маленьких кружочков.
- Возьмите сухой и чистый плафон, соберите кружочки фатина или тюля в «розочку». Зафиксируйте цветок из ткани на плафоне при помощи клея, капнув совсем немного в самую середину розочки. Таким образом вы создадите пушистый шарик.
- Разместите внутри плафона фонарик или . Покажите результат малышу и наблюдайте за его радостной реакцией.
Самый простой акустический выключатель
Данную схему простого акустического выключателя я находил на многих сайтах и везде она разная. Меня это заинтересовало, и я решил сделать свою. Возможно, начинающим радиолюбителям эта схема будет интересная и станет полезной.
Итак, схема выключателя:
Если брать те детали, которые вы видите на схеме, то все должно работать. Микрофон можно взять из какого-то китайского магнитофона или отечественный, например “сосна”. Если все детали покупать, то стоимость выключателя будет порядка 1-1.5$(дол.).
Теперь немного теории. На двух биполярных транзисторах КТ315 (у меня это КТ315Б) собран микрофонный усилитель. Если нужно повысить чувствительность микрофона, можно использовать транзисторы типа КТ368 или импортные аналоги (SS9018) – эти транзисторы не особо критичны. Мощный биполярный транзистор КТ818 (у меня КТ818Б), который управляет нагрузкой – это силовая часть схемы. Если вы хотите управлять большой нагрузкой, тогда используйте, соответственное реле, напряжением питания от 3.5 до 15 вольт. Импульс от микрофона запускает генератор на составном транзисторе (КТ315 + КТ315) с положительной связью конденсатором – сигнал усиливается и подается на базу транзистора КТ818. Отрицательные импульсы удерживают ключ КТ818 и, соответственно, наше реле. Когда мы повторно хлопаем, генерация обрывается и реле обесточивается.
Чувствительность такой схемы может быть до 5 метров (в моем случае 2-3м.).
Электролитические конденсаторы 1микроФарад напряжением 10-50 вольт, так как, диапазон питающих напряжений схемы очень широкий – от 3.5 до 15 вольт. Резисторы я использовал SMD1206 – для удобства, можно использовать и обычные.
На видео продемонстрирована работа донного прибора.
e-scope.com.ua
Cхема акустического выключателя света
В данной статье приведена схема акустического выключателя света, благодаря которому вы будете чувствовать себя в собственном доме, словно в роскошной вилле — вы сможете включать и выключать, например, свет… хлопая в ладоши.
Акустический выключатель реагирует на одиночные хлопки и при этом проявляет малую чувствительность к посторонним звукам. Каждое срабатывание устройства изменяет состояние реле, обозначая это свечением двухцветного светодиода.
Схема оснащена электромагнитным реле с нагрузочной способностью контактов 8А/250В, благодаря этому она подходит для дистанционного управления освещением, управлением жалюзи, бытовой аудио техникой и любым другим устройством, работающим от сети.
После подключения к источнику питания, схема будет сброшена и перейдет в состояние ожидания до тех пор, пока не раздастся хлопок. Потребление, независимо от состояния работы, составляет менее 1 Вт.

Печатная плата спроектирована так, чтобы все устройство поместилось в коробку скрытого монтажа с следующими размерами: диаметр 54мм толщина 25мм. Из-за своих небольших размеров, плата без проблем должна поместиться, например, в торшеры или люстры.
Выключение света по хлопку: польза и преимущества
Высокотехнологичный аппарат замыкает и размыкает электрическую цепь при подаче звукового сигнала, например, хлопка в ладоши. Он способен дистанционно управлять не только светом в доме, но и другими электробытовыми приборами: вентилятором, увлажнителем, музыкальным центром, аппаратурой, подсветкой аквариума.
Это полезное устройство заменяет или дублирует традиционный выключатель/пульт ДУ, экономя время пользователей на совершение действий. Оборудовать акустическими выключателями можно все электропотребители, находящиеся в зоне акустической чувствительности аппарата.
В корпусе на транзисторах
Выключатель в корпусе на транзисторах размещается в пластиковой коробке со степенью защиты от пыли и влаги ≥ IP30.
Благодаря применению печатных плат с SMD-элементной базой,пьезоэлектрического датчика и твердотельного реле, размеры современного акустического выключателя в корпусе на транзисторах не превышают габаритов спичечного коробка.
Транзисторные устройства успешно локализуются в слаботочные сети (сигнализации, видеонаблюдения и т.п.).
Без корпуса
Применение изделия без корпуса оправдано в случае, если пользователь собирается встраивать изделие в корпус какого-то электроприбора. Например, предполагает закрепить печатную плату с компонентами и акустическим датчиком под кожухом кондиционера или в подставке вентилятора. Открытая сборка компактнее и заметно дешевле, чем девайс в корпусе.

Выключатели и светильники «вилка-розетка»
Выключатель типа «вилка-розетка» представляет съемное электроустановочное изделие в пластмассовом корпусе с входной вилкой для включения в сеть. Изделие оснащается 1-3 выходными розетками для подключения торшеров, бра, сложной бытовой техники, аппаратуры, гаджетов и других энергопотребителей. Изделие является переходником на пути следования электрического тока от сети 220 В к нагрузке, оснащенным платой управлением звуком.
Обыкновенная пристыковка выключателя типа «вилка-розетка» позволяет подсоединить модуль с акустическим датчиком без электромонтажных и установочных работ.
Очень просто вставить в стационарные розетки комнаты 1–4 выключателя и настроить на разных потребителей (или группы потребителей для устройств с выходами типа «двойник» или «тройник»). Например, 1-й выключатель будет подключать отключать сетевую розетку от 3 хлопков, 2-й сработает от 4, 3-й среагирует на 5 хлопков, 4-й будет управлять 6-ю хлопками в ладоши.
Встроенный в «вилку-розетку» акустический коммутатор срабатывает от хлопков в ладоши благодаря селективной фильтрации, выделяющей характерные звуки на фоне шумов.
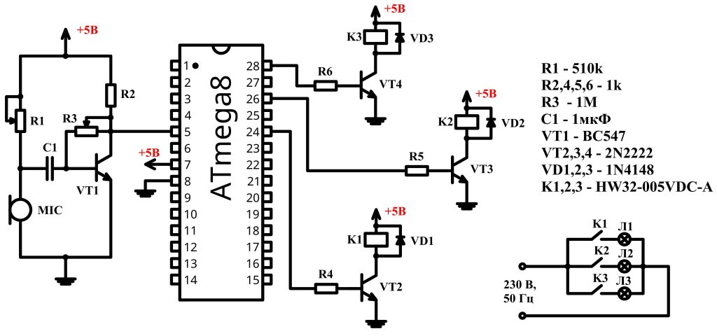
Схема акустического выключателя
Существует огромное множество схем акустических выключателей (АВ): на транзисторах, логических микросхемах, триггерах и т.п., но мы будем собирать наш аппарат на микроконтроллере. Применяя микроконтроллер можно довольно просто реализовать алгоритмы различной сложности с минимальной переделкой схемы либо вовсе без переделок.
Первый и неотъемлемый элемент любого акустического выключателя – это микрофон. Микрофон преобразует сигнал звуковой частоты в переменное напряжение. Нам подойдет самый простой электретный микрофон.
Одним выводом микрофон подключается к минусу, а вторым через подстроечный резистор R1, сопротивлением 510 кОм, – к плюсу. С помощью R1 регулируется чувствительность микрофона. Далее переменный сигнал с выхода микрофона через разделительный конденсатор C1, емкостью 1 мкФ, подается на , выполненный на одном транзисторе BC547. Эмиттер транзистора соединен с минусом, а коллектор посредством резистора R2, сопротивлением 1 кОм, — с плюсом. Настройка усилителя осуществляется с помощью подстроечного резистора R3, сопротивлением 1 МОм.

Далее усиленный сигнал подается на вход . В зависимости от количества поступивших импульсов, что соответствует количеству хлопков, микроконтроллер выдает высокий или низкий потенциал на соответствующие выводы. В данной схеме у нас применяются три вывода микроконтроллера МК, которые работают на выход. Они питают три аналогичные цепи. Рассмотрим работу одной цепи.
Когда на выводе МК высокий потенциал (+5 В) транзистор VT2 серии 2N2222, соединенный с МК резистором R4 (1 кОм), открывается и получает питание катушка реле К1. При срабатывании реле К1 замыкаются его контакты в цепи питания лампы и таким образом она засвечивается.
Катушку реле К1 следует шунтировать обратным диодом VD1 для защиты от перенапряжения, поскольку катушка обладает некоторой индуктивностью, и при разрыве цепи может возникнуть бросок напряжения, хотя и не значительный в данном случае, но лучше перестраховаться. Подойдет практический любой диод с током не менее 100 мА, можно применить 1N4148.
Реле можно применять любое, но следует ориентироваться на такие параметры: напряжение питания 5 В, напряжение замыкающих контактов – переменное, 230 В. Ток контактов определяется нагрузкой цепи, которую будут замыкать-размыкать контакты. Я применял реле следующего типа: HW32-005VDC-A. Если найдете реле с током питания катушки не более 20 мА, то можно обойтись без транзисторного ключа.
Питание схемы акустического выключателя осуществляется от стабилизированного источника питания, напряжением 5 В. Можно взять любой готовый блок питания либо собрать его самому, как рассказано в .
Настройка акустического выключателя
Настройка устройства осуществляется с помощью двух переменных резисторов. Я добивался такой чувствительности, что выключатель не реагировал на музыку, речь и легкие удары дверью, но при этом отлично срабатывал по хлопку с противоположного конца комнаты. Следует учитывать, что микрофон нужно располагать в направлении хлопка.
Вы наверняка задавались вопросом, почему именно хлопок? Дело в том что амплитуда звуковой волны, вызванная хлопком, гораздо больше, чем при обычном разговоре или музыке, поэтому усилитель можно настроить таким образом, чтобы отсеять другие источник звука, тем самым исключить ложное срабатывание устройства.
Теперь, надеюсь, вы убедились, что сделать акустический выключатель своими руками довольно просто. Данное устройство я собрал на макетной плате, но если применять SMD компоненты и твердотельные реле, то размеры акустического выключателя не превысят спичечный коробок. Всем удачной сборки!
Скачать прошивки для трех разных вышеописанных алгоритмов работы акустического выключателя.
Правила и специфика подключения
Хотя сами по себе концевые выключатели устроены довольно просто, используют их в оборудовании со сложными электрическими цепями. Следовательно, их подключение должно осуществляться специалистами и строго по принципиальным схемам, основываясь на особенностях техники.
Рассмотрим пример подключения простого механического переключателя в 3D принтере. Это нужно для того, чтобы задать крайние координаты для его каретки. У подключаемого концевика в наличии 3 контакта — COM, NO, NC. При разомкнутом состоянии датчика первый и последний контакт пребывают под напряжением +5V. Второй контакт (NO) заземлен.

На схеме контакты COM (1) и NО (2) находятся в замкнутом состоянии, а COM и NC (3) разомкнуты. При достижении кареткой принтера крайней позиции контакты COM и NC соединяются и происходит ее отскок на 2 мм
Подключают датчик с помощью двух проводов — красного и черного цвета. Когда прибор срабатывает, должен раздаться типичный щелчок. Индикаторный выключатель подключают по той же схеме, но есть у него и третий провод — зеленый.
О его срабатывании сигнализирует загоревшийся светодиод и щелчок. У его разъемов на плате есть обозначения: для красного провода V (+5 В), для черного — G (земля), для зеленого — S (сигнал).
Такими же буквами обозначены разъемы и у оптического выключателя. Он более точно будет контролировать работу каретки, но может давать сбои при запыленности и солнечном свете. Срабатывание оптической пары сопровождается включением светоизлучающего диода и происходит совершенно бесшумно.
Концевые выключатели широко применяют мебельщики, устанавливая их в шкафах-купе. Подключение выполняют по инструкции, прилагаемой к каждой модели. На схеме указывают место крепления пластиковой конструкции с клавишей. Для средней двери установить ее нужно так, чтобы она не являлась помехой для корректного передвижения другой двери секции по направляющим.

На схемах изображен порядок подключения концевиков для дверей раздвижных в шкафах-купе (вариант б) и для распашных (вариант а)
В случае установки концевого выключателя для распашной двери, его фиксируют при помощи саморезов внутри шкафа. В закрытом состоянии дверь прижимает кнопку, размыкает цепь и освещение не работает. В открытом — дверь отпускает кнопку и включается освещение.
Виды звуковых выключателей

Акустические выключатели могут реагировать на голосовые команды и хлопки
Существуют следующие типы акустических выключателей:
- Приборы, реагирующие на хлопок. Заранее программируется, при каком количестве хлопков будет выполняться та или иная команда.
- Приборы, реагирующие на голос или заранее поставленную команду.
- Комбинированные устройства (например, светоакустический выключатель). В них могут устанавливаться звуковые, световые датчики или сенсоры движения. Это наиболее технологичные устройства, у которых риск ложного срабатывания максимально снижен.
- Устройства для слаботочных систем. Используются для подключения видеокамеры или передачи команды охране.
Акустические выключатели стали популярными благодаря удобству применения. Они полезны для пожилых людей, лежачих больных и маленьких детей. Приборы такого класса уже активно используются в системе «Умный дом».
Установка устройства
Собрать простой акустический выключатель по хлопку можно своими руками, он состоит из следующих деталей:
- Резисторы;
- Конденсатор С12;
- Диодный мост (скажем, VD7-VD10);
- Транзисторы.
Обратите внимание, что конденсаторы должны быть не мене, чем на 40 Вольт. Но не всем нравится самостоятельно складывать электронные приборы, поэтому будет проще купить хлопковый звуковой выключатель в магазине
Там можно подобрать модель под любые потребности и возможности.

Установка хлопкового регулятора производится по классической схеме, в которой он используется вместе обычного одноклавишного или двухклавишного. У каждого отдельного устройства индивидуальная схема подключения, но принципиально они все очень похожи. Если вкратце, то нужно в сети подключить одноклавишную модель так, чтобы он питал хлопковый. Как это сделать:
- Стандартная схема работы выключателя и лампы имеет следующий вид: от щитка через распределительную коробку подводится питание к стандартному выключателю. Нейтраль от щитка ведется к лампе (или нескольким лампам). Лампы параллельно подключаются к отключающему устройству;
- Вам нужно разорвать цепь питания, которая идет на клавишный выключатель и установить её на акустический. Сделать это очень просто. Главным достоинством работы такого прибора является его малая размерность. Штробить стену не потребуется, т. к. преимущественно такой контроллер устанавливается на корпус светильника;
- Стандартно у выключателя две пары проводов: белые и черные. Белые отводятся на питание, черные на нагрузку. К примеру, белые соединяются с фазовым и нейтральным кабелями от щитка, а черные – от ламп;
- Соединять отдельные шнуры можно специальными клеммами или простой обмоткой. Паять места креплений не рекомендуется;
- После этого нужно включить обычный клавишный выключатель и проверить работу системы. Если понадобится полностью убрать его из системы, то переустановите провода питания так, чтобы они подводились к хлопковой модели напрямую.

Очень удобно то, что можно подключить один выключатель для нескольких ламп, он будет контролировать отдельные группы приборов. После установки обязательно установите регулятор громкости на нужный уровень, иначе свет будет загораться по малейшему хлопку или напротив, не включиться даже от сильного стука. Чаще всего регулятор представляет собой небольшой поворотный рычаг, который нужно докрутить до необходимого уровня.
Видео: особенности устройства хлопковых выключателей
Ночник из светодиодов
Чтобы сделать необычный и красивый светодиодный ночник, который можно будет поставить в детской, нужно подготовить пару прозрачных трубок из пластика с неодинаковым диаметром. Также понадобятся светодиоды с желаемой яркостью и цветовой гаммой. Еще подготовьте камешки из стекла, провод, пробку покрупнее, суперклей, плоскогубцы и плату для светодиодов.
- Подогните концы светодиодов плоскогубцами.
- Все светодиодные лампочки соедините кусочком провода по параллельной схеме, соблюдая полярность.
- Концы провода подведите к плате.
- Проверьте рабочую часть ночника, если светодиоды сильно нагреваются, добавьте резистор в цепь.
- Вклейте трубки одна в другую. В пустоту засыпьте декоративные шарики.
- Наденьте пробку со светодиодами на трубку. Если пробка по диаметру больше, чем трубка, сделайте уплотнитель из кожаного ремня.
- Ночник из светодиодов готов, можно его включить.
Принцип работы
Внимание Выключатель-хлопушка необходим для удалённого управления электрическими приборами и источниками освещения. По первому хлопку свет включается, а по второму — выключается
Чувствительный микрофон улавливает звуковую волну и передаёт импульс на усилитель мощности. Затем сигнал поступает на базу ключа для подключения в работу транзистора, открывается P-N переход. В электрическую цепь начинает поступать ток
По первому хлопку свет включается, а по второму — выключается. Чувствительный микрофон улавливает звуковую волну и передаёт импульс на усилитель мощности. Затем сигнал поступает на базу ключа для подключения в работу транзистора, открывается P-N переход. В электрическую цепь начинает поступать ток.
Если сказать проще, то подача и прерывание энергии происходят за счёт получения звуковых сигналов микрофоном. Используется в помещениях с минимальным уровнем шума.
Варианты исполнения и особенности

- Стандартное изделие. Подключается в простую схему электрической цепи параллельно с выключателем света прибора и настраивается на нужный звуковой диапазон.
- Сочетание с таймером. Электричество поступает в цепь на определённый промежуток времени после получения команды.
- С интеллектуальной составляющей. Изделие сложной конструкции, способно различать поступающие сигналы и активировать определённый прибор.
- Для слаботочных систем. Применяется в сигнализациях, для активации камер, микрофонов, выдачи информации на пульты охраны.
Важно
Необходимо продумать место установки заранее. При использовании механического переключателя наша самоделка не участвует в работе.
Куда устанавливается выключатель?
Хлопковый или же акустический выключатель, созданный по микросхеме, лучше всего устанавливать на стенах — там, где обычно располагалась стандартная модель. У варианта, сделанного своими руками, скорее всего будет очень низкая чувствительность, если конечно не браться реализовывать сложные схемы.
Важно учитывать, что голосовой или хлопковый выключатель, купленный на китайском сайте за две копейки, вряд ли будет исправно работать. Так что для того, чтобы сэкономить на этой покупке, ее лучше сделать самому из нужных деталей
Итак, если все эти характеристики и нюансы полностью устраивают человека, то он вполне может позволить себе установить в квартиру хлопковый или голосовой выключатель. Эти модели просты в использовании, не требуют частой замены и, к тому же, добавляют любому помещению технологичности и уникальности, поскольку встречаются редко.
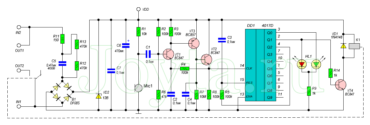
Описание акустического выключателя
Система состоит из трех основных блоков:
- датчик звука с транзисторным усилителем
- Т-триггер на основе счетчика 4017
- бестрансформаторный источник питания
Благодаря наличию буферного транзистора VT2, после хлопка на резисторе R8, а значит, и на тактовом входе 14 микросхемы 4017 возникает положительный импульс. Он вызывает изменение состояния счетчика, который переключает свечения светодиода с зеленого на красный цвет, а так же через транзистор VT4 включается реле.

Следует обратить внимание, что в данной схеме применен бестрансформаторный блок питания, то есть не имеющий гальванической развязки от сети 220В
Поэтому налаживание и ввод в эксплуатацию выключателя следует соблюдать предельную осторожность
Последовательный резистор R11 предназначен для защиты выпрямительного моста B1 в случае, если схема подключается к сети в момент, когда амплитудное значение напряжения превысит 300В.
Без резистора R11, через диоды выпрямительного моста и не заряженные конденсаторы C5, C6 на короткое время может протекать очень большой ток, ограниченный лишь сопротивлением соединений. Резистор R11 ограничивает этот импульс до безопасного значения и защищает остальные электронные компоненты от повреждений.
Для подключения схемы к электрической сети используются всего два разъема. К разъему IN, необходимо подать напряжение от сети (фазировка не имеет значения).

После хлопка и, следовательно, замыкания контактов реле на разъеме OUT появляется напряжение 220В, поэтому к этому разъему следует подключить управляемую нагрузку, например лампу.
Все устройство собрано на двухсторонней печатной плате. Низковольтная часть элементов – SMD. После сборки нужно очень тщательно проверить, все ли элементы установлены правильно, не возникло ли короткое замыкание при пайке. Ошибка может привести к повреждению элементов. Как правило, безошибочно собранная схема из исправных элементов начинает работать сразу.
Скачать рисунок печатной платы (289,1 KiB, скачано: 1 761)





























